rf熔断 电阻器的功能及分类知识

小编头像

小编

管理员

发布于:2026年04月14日

160 阅读 · 0 评论

电阻器的功能及分类知识

1、电阻器的定义及功能

电阻器是一个限流元件,在日常生活中一般直接称为电阻。电阻器是电路元件中应用最广泛的一种,在电子设备中约占元件总数的30%。其质量的好坏对电路的工作状态起着至关重要的影响。在电路中,电阻器的主要作用是稳定和调节电路中的电流和电压,即起控制某一部分电路的电压和电流比例的作用。如该段电路的电流是固定的,则电阻器能制造固定的电压。如果该段电路的电压是固定的,电阻器也能制造固定电流。下图所示为电路中常见的电阻器。

2、电阻器的图形及文字符号

电阻器是电子电路中最常用的电子元件之一,一般用“R” “RF” “RN” “FS”等文 字符号来表示。在电路图中每个电子元器件还有其电路图形符号,电阻器的电路图形符号如下图所示。

3、电阻器的分类

电阻器种类较多分类方式不一,如果按照值是否可调可将电阻器分为固定电阻器、可变电阻器两大类。阻值固定不可跳动的电阻称为固定电阻;阻值在一定范围内连续可调的电阻称为可变电阻。

按引出线的不同可将电阻器分为轴向引线电阻器和无引线电阻器。

按制造材料不同可将电阻器分为金属膜电阻器、碳膜电阻器、线绕电阻器等。

按用途不同可将电阻器分为通用电阻器、高频电阻器、精密电阻器、压敏电阻器、热敏电阻器、光压敏电阻器等。

如果按照电阻器的外形可将电阻器分为圆柱形电阻器和贴片电阻器。

下面介绍电路中几种常见的电阻器。

(1)金属膜电阻器

金属膜电阻器是在真空中加热合金至蒸发,使瓷棒表面沉积出一层导电金属膜而制成 的。通过刻槽或改变金属膜厚度,可以调控产品阻值。这种电阻体积小、噪声低,稳定性良好,但成本略高,如下图所示。

(2)碳膜电阻器

碳膜电阻器是通过气态碳氢化合物在高温和真空中分解,碳微粒形成一层结晶膜沉积在瓷棒上制成的。利用刻槽的方法或改变碳膜的厚度,可以得到不同的阻值的碳膜电阻。碳膜电阻,电压稳定性好,造价低,因此普遍实用于各种电路中。下图所示为常见碳膜电阻器。

(3)热敏电阻器

热敏电阻器大多是由单晶半导体材料或多晶半导体材料制成的,它的阻值会随着温度的变化而变化。

(4) 光敏电阻器

光敏电阻器是一种对光敏感的元件,又称光导管。光敏电阻器外形结构如下图所示。

光敏电阻的制作材料常为硫化镉,另外还有硫化铝、硒、硫化铅和硫化紹等材 料。这些制作材料具有在特定波长的光照射下,其阻值迅速减小的特性。而当光照减弱时阻值会显著增大。这是由于光照产生的载流子都参与导电,在外加电场的作用下作漂移运动,电子奔向电源的正极,空穴奔向电源的负极,从而使光敏电阻器的阻值迅速下降。

(5) 湿敏电阻器

湿敏电阻器是一种对环境湿度敏感的元件,它的电阻值能随着环境的相对湿度变化而变化。一般由基体、电极和感湿层等组成,有的还配有防尘外壳,如下图所示。

湿敏电阻广泛应用于电视机、空调器、录音机、洗衣机、微波炉等家用电器及工业、农业等方面作湿度检测和湿度控制用。根据感湿层的材料和配方不同湿敏电阻可分为正电阻湿度特性和负电阻湿度特性。正的电阻湿度特性即湿度增大时,电阻值也增大。负的电阻湿度特性即湿度增大时,电阻值减小。常用的有硅湿敏电阻、陶瓷湿敏电阻和氯化锂湿敏电阻器等。

(6) 熔断电阻

熔断电阻又称保险电阻,常见的有贴片熔断电阻和圆柱形熔断电阻,如下图所示。

(7) 排电阻器

排电阻器(简称排阻)是一种将按一定规律排列的分立电阻器,集成在一起的组合型电阻器,也称集成电阻器或电阻器网络。适用于电子仪器设备及计算机电路,一般用RN表示。电路中的排电阻主要有8脚和10脚两种,其中8脚用得较多。在电路中,一般使用标注为“220”、“330”、“472”等的排电阻,其外形如下图所示。

(8) 贴片电阻

贴片电阻,是金属玻璃釉电阻器中的一种。是将金属粉和玻璃釉粉混合,采用丝网印刷法印在基板上制成的电阻器。贴片电阻耐潮湿,耐高温,耐温度系数小。贴片元件具有体积小、重量轻、安装密度高,抗震性强.抗干扰能力强,高频特性好等优 点,广泛应用于计算机、手机、电子辞典、医疗电子产品、摄录机、电子电度表及VCD机等。

(9)压敏电阻器

压敏电阻器是指对电压敏感的电阻器,是一种半导体器件,其制作材料主要是氧化锌。

压敏电阻的最大特点是当加在它上面的电压低于它的阈 值UN 时,流过它的 电流极小,相当于一只关死的阀门,当电压超过UN 时,流过它的电流激增,相当于阀门打开。利用这一功能,可以抑制电路中经常出现的异常过电压,保护电路电压的损害。

电子蒸炖煲故障分析与检修

(此处已添加圈子卡片,请到今日头条客户端查看)

电子蒸炖煲是炖肉类理想的家用电热厨具,它主要由锅盖、陶瓷炖盅、锅体、加热器和底座等组成。

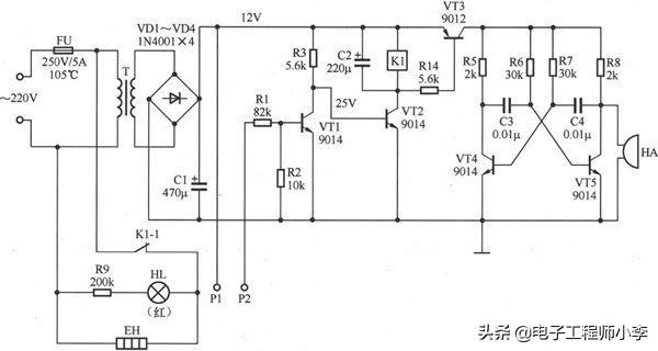
普通型电子蒸炖煲

下面以万宝DZ-15型电子蒸炖煲为例介绍普通型电子蒸炖煲的工作原理。该机的电气系统由加热器、继电器、测水电极、放大电路、振荡器、蜂鸣器等构成,如图3-35所示。

图3-35 万宝DZ-15型蒸炖煲的电气原理图

1.工作原理

(1)电源电路

220V市电电压经熔断器FU加到电源变压器T的初级绕组上,通过它的降压作用,从次级绕组输出12V左右的(与市电高低有关)交流电压。该电压经VD1~VD4进行桥式整流,再通过C1滤波产生12V直流电压。该电压第一路为继电器K供电;第二路为测水电路供电;第三路为报警电路供电。

(2)控制电路

锅内无水时,测水电极P1、P2不接通,控制管VT1截止,使放大管VT2导通。VT2导通后,一路使继电器K1的线圈有电流流过,线圈产生的磁场使常闭触点K1-1释放,加热器EH不加热;另一路使VT3导通,从而使VT4、VT5、C3、C4等组成的蜂鸣器驱动电路开始工作,为蜂鸣器HA提供驱动信号,使HA鸣叫,提醒用户蒸炖煲锅内无水,需要加水。当锅内有水后,P1、P2接通,12V电压通过R1、R2分压限流使VT1导通,致使VT2截止。VT2截止使继电器K1的线圈断电,导致它内部的触点K1-1吸合,从而使HE得到供电开始加热,使指示灯HL导通发光,同时使VT3截止,蜂鸣器HA不能鸣叫。

2.常见故障检修

(1)不加热

不加热说明测水电路、加热器或其供电系统异常。该故障的检修流程如图3-36所示。

图3-36 不加热故障检修流程

(2)无水时也加热

无水时也加热,说明测水电路、电源电路异常。该故障的检修流程如图3-37所示。

图3-37 无水也加热故障检修流程

电脑控制型电子蒸炖煲

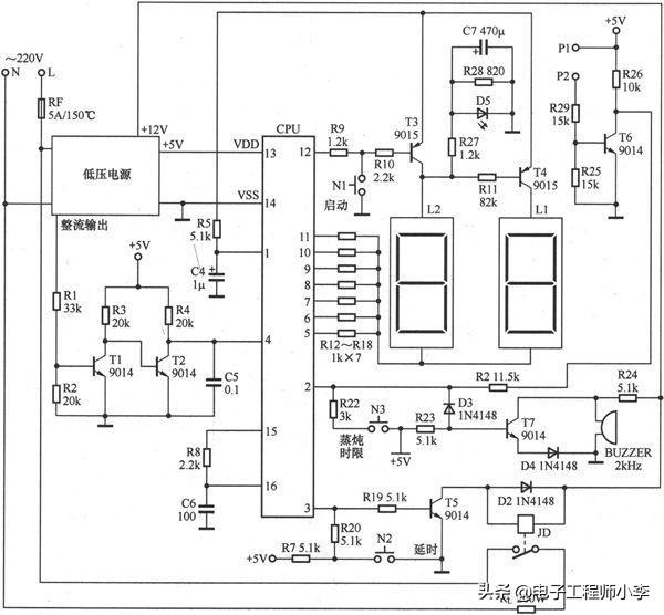
下面以万宝WZ20-150型电脑控制型蒸炖煲为例介绍电脑型电子蒸炖煲的工作原理。该机的电气系统由加热器、继电器、测水电极、三极管、蜂鸣器等构成,如图3-38所示。

图3-38 万宝WZ20-150型蒸炖煲的电气原理图

1.工作原理

(1)电源电路

220V市电电压经低压电源产生5V、12V直流电压。12V电压为继电器JD和蜂鸣器BUZZER供电,5V电压为CPU、水位检测等电路供电。

(2)控制电路

锅内无水时,水位检测电极P1、P2不接通,控制管T6截止,5V电压通过R26、R21为CPU的[2]脚提供高电平检测信号,CPU识别后判断锅内无水,不仅输出驱动信号使蜂鸣器BUZZER鸣叫,提醒用户锅内无水或水位太低,而且让它的[3]脚输出低电平控制信号,使放大管T5截止,继电器JD的线圈无导通电流,它内部的触点释放,加热器RL不加热。当锅内有水并且达到检测水位后,5V电压通过R29、R25分压限流使T6导通,为CPU的[2]脚提供低电平的检测信号。CPU根据[2]脚的电平信号判断水位正常,让[3]脚输出高电平控制电压,通过R19使T5导通,为继电器JD的线圈提供导通电流,导致它内部的触点吸合,为加热器RL供电,使它开始加热。

(3)过热保护

该机的供电回路串联了一只过热保护器RF。当加热器工作正常时,RF为接通状态,加热器正常工作。当加热器因供电异常等原因引起工作电流过大或工作温度升高,使加热器的外壳温度达到150℃时,它外壳上安装的RF过热熔断,切断加热器的供电回路,加热器停止工作,实现过热保护。

2.常见故障检修

(1)不加热

不加热说明水位检测电路、CPU电路、电源电路、加热器或其供电系统异常。该故障的检修流程如图3-39所示。

图3-39 不加热故障检修流程

(2)无水时也加热

无水时也加热,说明水位检测电路、继电器及其驱动电路或CPU电路异常。该故障的检修流程如图3-40所示。

图3-40 无水也加热故障检修流程

(此处已添加圈子卡片,请到今日头条客户端查看)

相关问答

rf在电饭煲线路什么意思?

答:rf在电饭煲线路是过温保险丝的意思。如rf250v10A165就是温度保险丝,功能:就是保护电饭煲,就是当电饭煲工作电流超过10A以后熔断,还有就是电饭煲工作温...

RF10熔断试验方法-懂得

直流电压测试端的正负极性和电压不随时间变化而改变,交流电压测试端的极性和电压是随时间(或频率)的变化而改变的。直流电压测试端的正负极性和电...

熔断电阻怎么识别_住范儿家装官网

熔断电阻器好坏的检测方法与电阻器的检测方法相同,也是用万用表的欧姆挡对其阻值进行复合,当阻值为无穷大或大于标称阻值时,便可知熔断电阻器已损坏...

电饭煲煮饭那个灯上有个温控电阻器RF250V10A185°烧坏是什么原因,怎么解决?换个20A的可以吗?

这个是温度保险丝,这个烧坏了,说明使用过程中温度太高了。一般电饭煲有异常情况才会熔断温度保险丝的。为防止超温时塑料件熔化起火,才有这个物理保护。不是2...

电饭煲的远红外容易坏掉吗?

不容易坏温控电阻器RF250V10A185°是温度保险丝,这个烧坏了,说明电饭煲在使用过程中温度太高了。一般只有在电饭煲有异常情况下,这个保险丝才会被熔断。温控...

RF250V10A155是什么电子元件电饭锅里的-汇财吧专业问答

[回答]电饭锅温度保险丝RF185度250V10A金属壳电饭锅专用保险管185℃电饭锅的限温保险,电流10A.温度155度以内使用,电饭锅的保险管,相当于保险丝。应急使...

天津哪里能买到电饭锅的温度保险管的-汇财吧专业问答

[回答]电饭锅的保险管,相当于保险丝。应急使用时可用导线代替即可。去修理部买个10A的电饭锅保险管换上即可。天津022-60605861天津塘洁杭州遭好望角A座9...

海尔LSQRF16/(BP)中央空调显示Ed是什么意思?-ZOL问答

中央空调显示ED表示压缩机缺相故障了,压缩机出现故障的原因主要是接触器动静触头磨损或者熔断器熔断,找厂家来看看。根据室内机的开启数量,先启动变频压缩机...

微波炉电路板故障?

1、看转盘是否转动,照明灯亮否,风扇电机是否旋转。根据微波炉的运行情况,从而分析具体故障出现在哪里,才能根据问题决定如何修理。2、听微波炉工作发出的声...

帮个忙诸位朋友,谁帮忙回答一下!!鄂州接触电阻测试仪公司...

[回答]HYG-C极速互感器检定装置在保持原技术特点的前提下,在电流互感器的快速测量、测试点的快速定位、以及负荷箱、各种变比的互感器覆盖等方面有了很大...

标签:

相关阅读