R系列减RXF67、R67、RX67、RF67减速机的性能参数尺寸图纸
R系列减RXF67、R67、RX67、RF67减速机的性能参数尺寸图纸!
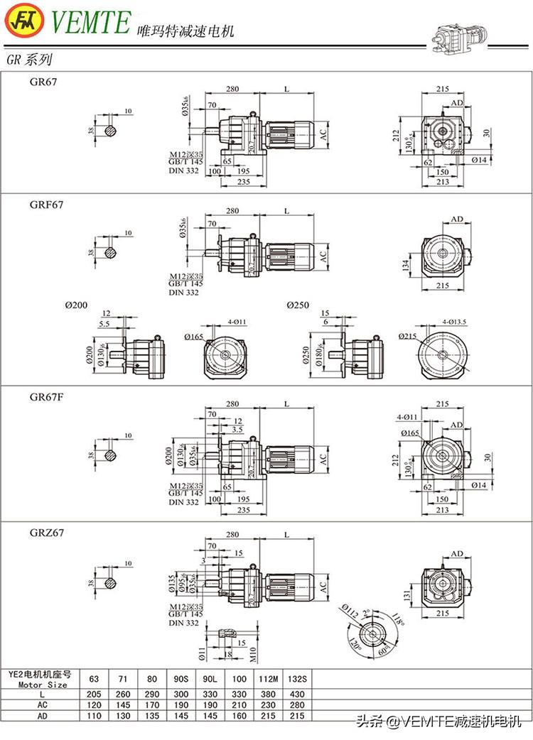
在减速机的选型过程中,经常会有一些用户对于减速机或者是电机的安装尺寸有要求的。通常来说在有限的空间内安装适合的减速机是一种有点苛刻要求的。有时候参数条件可以达到使用要求,但是整机的尺寸有不行。那么如何应对这种情况呢?有两种一种是更换类型的减速机使得使用参数能够满足需求,另一种是扩展空间大小。那么今天就来看看R67减速机下的RXF67、RX67、RF67减速机的具体尺寸,在您没有需要的时候可以收藏,有需要的时候可以分享。
图纸 RXF67、RX67、RF67、R67减速机匹配不同电机的具体尺寸
在减速机的选型过程中,经常会有一些用户对于减速机或者是电机的安装尺寸有要求的。通常来说在有限的空间内安装适合的减速机是一种有点苛刻要求的。有时候参数条件可以达到使用要求,但是整机的尺寸有不行。那么如何应对这种情况呢?有两种一种是更换类型的减速机使得使用参数能够满足需求,另一种是扩展空间大小。那么今天就来看看R67减速机下的RXF67、RX67、RF67减速机的具体尺寸,在您没有需要的时候可以收藏,有需要的时候可以分享。
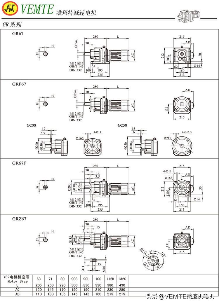
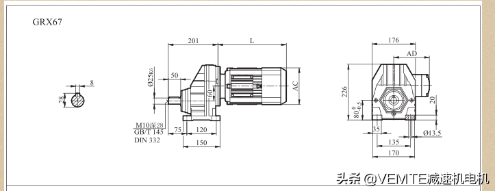
RX67减速机
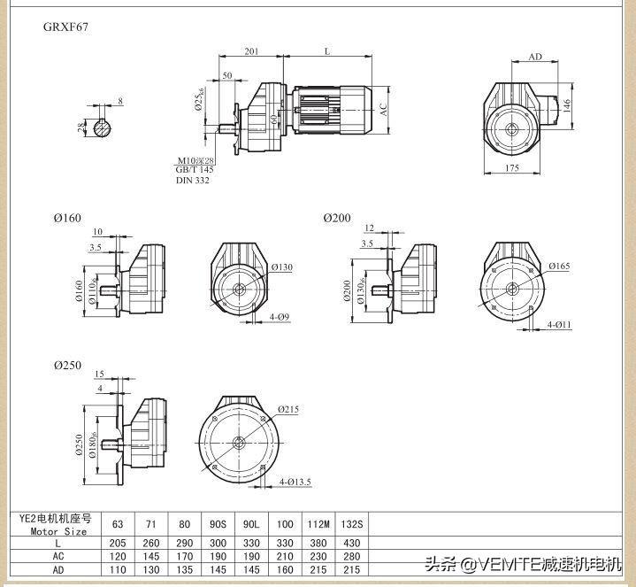
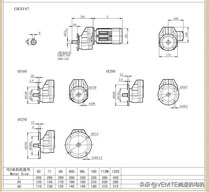
RXF67减速机
R67减速机以及RF67减速机具体的尺寸
具体的高清尺寸以及介绍点击下方链接
相关问答
SLKAF67减速机是啥意思?
SLKAF67减速机是K系列减速机中的一个小系列,KAF代表的是B5法兰空心轴安装斜齿轮伞齿轮减速机的意思,也有用户表示为GKAF减速机,不同厂家的表示方式有点区别,...
R67同轴斜齿轮减速机如何换油?
1.R67减速机应该牢固的安装在稳定、水平的基础或底座上,排油槽的油应能排除,且冷却空气循环、流畅。2.按规定的安装装置操作。安装事项搞定之后,应该按次序全...
hxw是什么的简写_作业帮
[回答]网络释义菏泽湖西轴承截面宽摆线减速机、活心丸短语HxWdots字体点阵HXW-SJD带魔术贴PocketflapHxw袋盖TheeffectofHuoxinwan(HXW)...
R系列减速机类别多吗?
R系列,K系列,F系列,S系列合称四大系列。RRF两个分类是二级和三级传动兼容的,RXRXF是单级传动的,规格就是字母后面的数字,有很多,比如R37,这个37就...
电机油封工作原理?
按结构形式可分单唇后盖油封和双唇后盖油封。F系列减速电机双唇后盖油封的副唇起防尘作用,防止外界的灰尘,杂质等进入F67减速机内部。按后盖型式可分为内包...
R/RF系列斜齿轮减速电机过请不吝赐教?
[回答]东迈四大系列减速机R系列斜齿轮减速机产品概述:1、R系列斜齿轮减速机结合国际技术要求制造,具有很高的科技含量2、节省空间,可靠耐用,承受过载能力...
减速器中定位销、油标、油塞、端盖、吊环和通气器的作用?–...
减速器中定位销、油标、油塞、端盖、吊环和通气器的作用?960化工网专业团队、用户为您解答,有减速器中定位销、油标、油塞、端盖、吊环和通气器的作用?的疑问
RV涡轮涡杆减速机有多少种类?
螺旋伞齿轮减速机:K37、K47、K67、K77、K87、K97、K107、K127、K157、K167、K187;T系列螺旋伞齿轮转向箱:T2、T4、T6、T7、T8、T10、T12、T16、T20...
人工智能的十大龙头?
国内RV减速机龙头,国内市场份额超过20%。5.科沃斯。各类家庭服务机器人、清洁类小家电等智能家用设备及相关零部件。6.柏楚电子。定增3亿元用于人工智能,切...
水的理化性质是什么?_作业帮
[回答]一、水的物理性质1.水是无色、无臭、无味液体,在浅薄时是清澈透明,深厚时呈蓝绿色2.在1atm时,水的凝固点(f.p.)为,沸点(b.p.)为100℃.水在0℃的...
