ALPS"顶级"车载高频头的电路分析
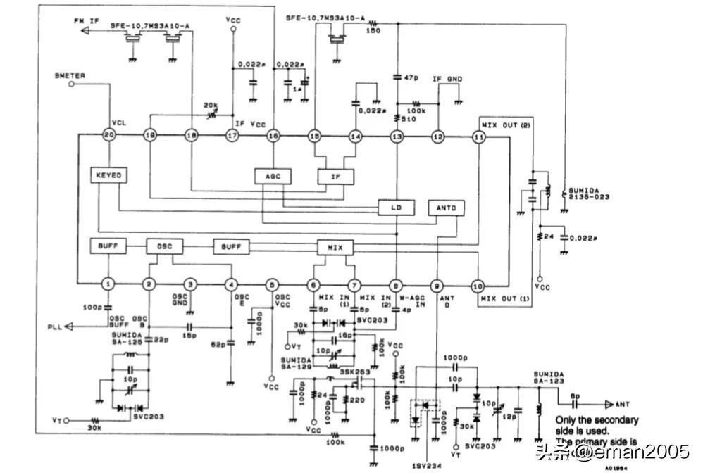
ALPS的 TFTC4U771A是一块纯模拟方案的车载高频头, 说他”顶级”是因为他的电路方案和性能可以说是同类高频头的天花板了,多数车载高频头都是单芯片加分立元件实现双波段接收。 该高频头使用了三块三洋专为车机或者高级家用设备设计的芯片, LA1193,LA1137N和LA1867。
高频头为26针脚,但是引脚与常见的1787方案不同,不能互换。全屏蔽的包裹设计,可调节器件众多,因此屏蔽盖有很多孔。去掉屏蔽盒可以看到调频高放, 中波, 调频解调分开隔离屏蔽, 使用了nichicon电解电容, 村田和东洋的滤波器, 车用的器件标准应该是很高的。
以下是引脚功能
一些主要可调元件的功能
LA1193N
调频前端接收电路的性能至关重要, 它极大影响整机的接收性能和信噪比等重要指标. 这块高频头使用LA1193为前端, 该芯片是车机专用的高性能调频前端, 内部采用双平衡混频, 多重AGC措施, 输出端口支持直接驱动天线衰减电路, 中放增益可调, 因此它有着极高动态范围和抑制交互调干扰特性. 只是耗电量比常见的调频前端芯片高了近乎10倍, 达到了25mA. 经我分析, 这块高频头电路几乎使用了LA1193的官方推荐线路, 不同的是ALPS没有使用17和19脚之间的可变电阻而是将其悬空, 使中频增益为最大状态, 场强输出没有利用, 直接电容接地. 电路图如下, 三连调谐, 使用背靠背的变容管接法, 这样可以获得更好的动态, 在强信号或者干扰时候保持回路不失谐, 有利于抑制交互调, 之前的文章有分析过. 输入高放使用双栅管, 高放管其中一个栅极接芯片AGC输出端控制增益, 天线信号输入通路有双二极管, 受控于芯片的衰减输出端, 当有强信号时候通过控制二极管导通来衰减进入高放的强度. 高放后的信号通过两组贴近的空心线圈实现耦合. 中频通路一共使用了三只蓝色的村田10.7MS3A10, 3db带宽180K, 插入损耗3.5db
LA1137N
双平衡差分混频器, 优秀的交互调抑制特性, 三洋的本振ALC技术, 稳定本振电平使得跟踪误差大大改善. 55db的高信噪比, 宽窄带AGC等, 数字调谐常用接口一应俱全. 芯片耗电就更高了, 达到38mA. 该电路需要环形天线, 绕几圈就可以, 实际使用效果非常好.
LA1867N
三洋常见的车机调频方案例如LA1787, LA1888等一般都是QIP封装. 这种芯片除了保证常规的调频指标高性能外, 还要考虑更多的因素例如RDS, 各种软降噪,多路径干扰噪声抑制等功能, 以适应车机的特殊使用工况. 1867没有接收前端功能,因此一般与1193一起配合使用,内部含有与1235一样的六级中放强度线性测量,并且无台有台电压可调也就是s strength shift功能,可以方便配合使用表头或者其他信号强度指示。此外SD停台灵敏度, 降噪静音门限等都可以独立调节. 立体声解调VCO基准频率通过912Khz晶振产生。这个高频头在解调立体声时候,立体声效果要延时十来秒才出现,可能是本来的设计意图或者某个时间常数需要修改,我经手的几块都是这样,还没参透这个门道。调频状态时候,静态电流将近100mA,比较费电,外壳都会微热,但是用起来确实比较享受,灵敏度 选择性 声音都很好。音频输出需要自己配置去加重RC,高频头本身不含。
视频加载中...
松下Panasonic RF-B50电路分析
松下B50收音机是著名的B20的大哥,存量似乎比B20少,电路设计与B20相比更为原始完善,以下做简单分析。
B50发布于80年代,是索尼7600A的竞争机型,日本原产,做工精致用料足,故障率低,配色元素丰富大方稳重又不古板永不过时,作为一台手调机,调谐拉线系统的设计自然很严谨,阻尼舒服刻度指示准确。B50电路保留经典的分立与集成相结合,调频高频头部分使用三只晶体管负责高放 混频和预中放,再由东芝集成电路完成中放和鉴频,音频信号经过滤波网络实现音调控制,再由三洋集成做功率放大推动松下自产的3寸喇叭,电路设计并没有特别之处但是性能十分出色,选择性 灵敏度巨佳,可见松下工程师将传统电路开发到了极致,值得一提的是 B50虽然使用了集成功放,但是音色的调校风格与B20的分立元件功放基本一致,配合更大的喇叭 音质更棒,大口径喇叭使得低频更饱满同时又不失细节 中频人声十分温暖耐听,大动态范围满足音乐节目的播放,这也一直是松下的特色。这枚77mm的喇叭也被用在根德YB500上。
中长波磁棒天线感应的电台信号由低噪声场效应管进行高放,由场管混频送入集成做中放和检波。短波段输入信号带通的处理对整机的信噪比等性能至关重要。B50跟B20一样,每个短波段有独立的天线LC调谐,保证最佳的选频特性然后由一只场效应管进行高放。一本振由7只晶振分别负责7个波段,一本振带缓冲 使得输入信号本振之间隔离更好,保证一中频信号更纯净。 晶体管担任第一级变频将选频后的高放信号抬高一个本振频率后 继续由场管进行第二次变频,二中频信号送入由东芝集成块完成进一步中放和检波,然后再进行功率放大输出。 跟B20有个重要的区别是中放带宽可以调节,用户可以在选择性和音质之间作出选择,芯片调谐输出信号经过两级放大驱动调谐灯同时用作AGC控制信号控制中波短波的高放增益。
该机调谐机构设计合理,刻度准 调谐手感佳,是手调机爱好者的不二之选。
相关问答
RF接口是什么意思啊?-ZOL问答
RF是RadioFrequency的缩写,即射频。射频接口,(也叫RF接口,同轴电缆接口,闭路线接口)属于模拟信号接口,所有的电视都支持这个接口,闭路信号就是通过这个接口传...
有线电视接口RF头和F头哪种传输信号好?
两者之间从结构来看就可以决定F头比RF头好,F头的金属外壁是直接插进电缆的屏蔽层内有效地把主芯电缆完全屏蔽,并是螺口设计头与座是能紧密相连。理论上是没有...
中星6c用什么高频头?
品牌型号:Norsat5150RF或5250RF。中星6b卫星由法国泰雷兹阿来尼亚宇航公司研制生产,有38个转发器,设计工作寿命超过15年,中国卫星通信集团公司负责运营,卫...
RF和Antenna是什么?
RF射频也叫高频,一般指用于无线电发射的频率。Antenna是天线。RF射频也叫高频,一般指用于无线电发射的频率。Antenna是天线。
RF在plc中是什么意思?
RF在PLC中是指"RadioFrequency",即无线射频通信技术。在PLC系统中,RF通常用于实现无线数据传输和通信。通过RF技术,PLC可以实现远程监测和控制,无需使用有...
RF射频接口是什么?
[回答]有线电视的射频RF输出线的接口这样接到新买的电视上:RF输出线是-5的同轴电缆,做好75欧天线插头,插在新买的电视的高频头输入插口上。再把电视机的信...
rf什么意思中文解释?
射频简称RF,射频就是射频电流,它是一种高频交流变化电磁波的简称。每秒变化小于1000次的交流电称为低频电流,大于10000次的称为高频电流,而射频就是这样一种...
RF是什么意思?
RF是RadioFrequency的缩写,即射频。RF指具有远距离传输能力的高频电磁波,射频技术在无线通信领域中被广泛使用。RF系统通常是指在通信系统中的射频信号接收(R...
哪些属于RF连接器高频范围?
[回答]甚高频工作效率在30MHZ到300MHZ之间,工作频率在118到152.975之间。RF连接器产品,有低频、高频、甚高频三大类。哪些属于高频范围。工作效率大于400...
