数模转换电路(DA)
一、DAC的基本原理
将输入数字量变换成模拟量输出。 基本思路:将输入的二进制数按其位权的大小先转换成与之成正比的电流量(I),然后将该电流再转换成模拟量电压输出(V),即D→I,I→V输出。
实现数字量—模拟量转换的电路框图:
D/A转换特性图
三位二进制数字量输入和模拟量输出的关系:
图中输出模拟量的最小增量VLSB表示输入数字量中最低位为“1”时的模拟电压大小。
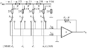
二、四位倒T网络D/A转换器
其特点是只有二种电阻阻值,精度可以做得很高;由于运放的反相输入端为虚地特性,开关切换时流过支路电流不变,只是流向反相端还是流向地端,所以没有过渡过程,转换速很快。
由图可知;网络部分的总电阻为R,而流过参考电源VREF的总电流为:
,而流过每一个节点的电流依次降低一半,即流过每一个支路的电流依次为:
。当输入二进制数的某一位高电平时,对应支路的电流流向反相端,反之流向地。因此流向反相端的电流有:
又因为:
,所以输出电压有:
输入为n位数字量时:
当R=Rf时:
这种D/A转换器的典型产品是AD7520(10位的一片D/A转换器)
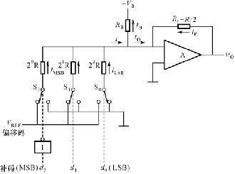
三、正负模拟量输出的DAC电路
当正负的数字量输入时,要求有正负的模拟量出。前面我们介绍过,一个正负数可以用补码表示。因此,一个用补码输入的正、负数,如何转换成正、负输出的模拟量呢?
现以一个三位二进制补码为例加以说明,3位二进制补码可以表示为从+3到-4之间的任何一个十进制整数。
三位二进制补码输入时与之对应的偏移码和D/A转换器输出间的关系表:
能得到双极性输出电压的电路如图,它是将补码输入后,最高位求反,并设置了偏移电路来实现双极型电压输出的。
电路说明:当输入补码d2d1d0=000,偏移码=100时,使
=0。因此,应调节RB的值,使IB=IMSB=VB/RB,输出模拟电压为0。
而在其它数字量输入的情况下,输出模拟量有:
,
式中的Imax为偏移码全为1时的总电流。
对n位的双极型D/A转换电路,则有:
输出模拟电压为:
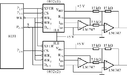
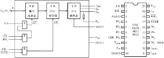
四、集成D/A转换器DAC0832应用举例
特点:8位分辨率,与8位微机兼容,价格低,接口简单,转换控制容易,电路为R-2R T型电阻网络结构等。
外形和内部电路如图:
D7~D0是数字量输入端,VREF外接参考电压,可正、可负。IO
UT1和IOUT2是电流输出端,接运算放大器。内部
和
分别是两个寄存器的锁存控制端,当
由1变0时, D7~D0输入数据送入8位输入寄存器,当
由1变0时,8位输入寄存器的数据锁存至8位DAC寄存器,并使8位DAC转换器的输出发生相应的变化。
DAC0832与8031单片机连接电路:
其中,DAC0832的输入数字量以及转换所需的各控制信号都来自单片机8031。
电路进行两路D/A转换,实现双缓冲器的同步方式连接。其工作原理如下:CPU的P0口P0~P7分时向DAC0832(1)和DAC0832(2)送出要转换的数字量,锁存在各自的输入锁存器中,然后CPU同时向两片DAC0832发出转换控制信号,使两个D/A转换器输入寄存器中的数据打入DAC寄存器,实现同步转换输出模拟量。由于该DAC是电流型输出,所以,用运放实现I/V转换,输出为模拟电压信号。电路采用二级运放放大。如果参考电压VREF为正电压时,第一级运放输出0~-5V模拟电压,而第二级输出-5V~+5V的模拟电压。
运放—关于输入失调电压、输入偏置电流
运放本身是一个差分输入的高增益多级放大电路。因为它具有极高的开环差模放大倍数(记为Aod,从几万倍到上千万倍不等),所以当运放工作在线性区时,只要它的反相输入端和同相输入端之间有一个微小的电压就足以产生所需的输出电压(两个输入端之间的电压称为差模输入电压,记为Uid)。如果忽略这个电压,就可以近似地认为反相输入端电压与同相输入端电压相等,即Un=Up,好像它们之间短路一样,称为“虚短”。又因为运放具有极低的输入偏置电流(记为Iib,通常为pA至nA级别),所以在分析运放构成的放大电路时,往往可以忽略这个电流,认为没有电流流进运放,就好像输入端断开一样,称为“虚断”。
“虚短”和“虚断”是分析运放电路的出发点。 这里要注意:虚短是负反馈的结果而不是运放本身的特性 ,只有运放工作在线性区,两个输入端电压才会相等,做为比较器使用的运放,工作在开环状态,两个输入端电压则通常不相等。虚断是运放本身的特性,运放本身的输入偏置电流就已经足够小,在多数时候都可以忽略。
以下面的同相放大电路为例:
因为流进运放反相输入端的电流远远小于Rf和R1上的电流,如果忽略它(虚断),那么反相输入端的电压就是由Rf和R1对输出电压分压决定,即Un=R1/(R1+Rf)·Uo。同样地,忽略同相输入端的偏置电流,则R2电压为0,Up=Ui。又因为“虚短”,即Un=Up,所以就可以得到输出电压与输入电压之间的关系:Uo=(R1+Rf)/R1·Ui。
这里可能会觉得有点本末倒置:明明是输出电压通过电阻Rf和R1分压得到反相输入端电压Un,怎么就说输出电压Uo是输入电压Ui的(Rf+R1)/R1倍呢?或者说虚短是怎么来的,为什么输出电压通过Rf和R1加到反相输入端的电压会刚好等于同相输入端电压呢?想一下,先不考虑供电电压等因素对运放输出电压的限制,当运放通过电阻Rf、R1从输出端引入负反馈后,如果两个输入端电压还不相等,会怎么样?在足够大的开环差模放大倍数下,将会得到非常大的输出电压,这个电压又会通过反馈电阻传到反相输入端,最终将迫使反相输入端电压往同相输入端电压的方向偏,直至相等。
所以,输出电压只能是那个通过反馈电路加载到反相输入端的电压等于同相输入端电压的值 。以上可简单总结为:由虚断得到:Up=Ui、Un=R1/(R1+Rf)·Uo ①,由虚短得到:Un=Up②,因此有:Uo=(R1+Rf)/R1·Ui。
以上分析对运放做了一些理想假设 :认为运放不放大共模电压只放大差模电压;差模输入电压为零时输出电压也为零;差模放大倍数无穷大;流进运放输入端的电流为零。实际的运放做不到这么完美 ,上面①和②严格来说只是一种近似,因此将产生一些计算误差 。这些非理想特性分别可以用共模抑制比(Kcmr)、输入失调电压(Uio)、开环差模放大倍数(Aod)和输入偏置电流(Iib)来描述。
输入失调电压
实际运放由于输入差分对参数不完全一致,所以当差模输入电压为零时(将两个输入端短接)输出电压并不为零 ,要使输出电压为零,需要在两个输入端之间加一个补偿电压,这个电压称为输入失调电压(Uio)。
上面说到负反馈最终会使得Un跟随Up,考虑到输入失调电压,实际上这时候两个输入端之间总是存在一个微小的电压,这个电压就是输入失调电压。
输入失调电压相当于加到输入信号上的一个直流误差信号,所以在放大微弱信号时,应选择低输入失调电压的运放,也就是要使得Uio<<Ui,或者通过外部电路对Uio进行补偿。另外,运放在不同温度下,输入失调电压也不同,所以当运放工作环境温度变化很大时,还需考虑输入失调电压温漂dUio/dT。通常,输入失调电压低,其温漂也低。
输入偏置电流
当输入偏置电流不为0时,就不能认为反相输入端电压是Rf和R1对输出电压分压的结果。根据叠加定理,这时候反相输入端电压Un(也就是R1上的电压)可以看成输出电压和输入偏置电流两个电源作用在电阻R1上产生的电压的叠加。这里只看输入偏置电流在R1上产生的电压,这个电压就是输入偏置电流对反相输入端电压产生的额外影响。单独考虑输入偏置电流的效果时,可以先把输出电压置零,即输出端接地,则R1和Rf是并联关系,所以输入偏置电流在R1上产生的电压就是Iib·(R1//Rf)。不过,因为同相输入端也有输入偏置电流,如果两边的输入偏置电流相等,当R2取值为R1//Rf时,同相输入端的输入偏置电流在R2上产生的电压就等于反相输入端的输入偏置电流在R1上产生的电压,即两边的输入偏置电流在两个输入端额外产生的电压是一样的(共模信号),互相抵消。
这就是为什么R2叫做平衡电阻,并且要求取值为R1//Rf。当然,如果两边的输入偏置电流不相等,那它们在两个输入端额外产生的电压就不能完全抵消掉,因此我们更关心的是两边的输入偏置电流相差多少。两边的输入偏置电流之差称为输入失调电流,记为Iio,它产生的误差为Iio·(R1//Rf),选择输入偏置电流/输入失调电流小的运放或者选择阻值小的电阻可以减小这个误差。
开环差模放大倍数
运放的开环差模放大倍数从几万倍到上千万倍不等,远远大于实际使用时所需的放大倍数,使用时再通过引入负反馈把放大电路的放大倍数衰减到我们所需的放大倍数。既然“够用”,那我们为什么还要关注它呢?因为虚短是来自开环差模放大倍数无穷大的假设 ,实际运放的开环差模放大倍数不可能真的无穷大,所以为了得到输出电压,运放的两个输入端之间还是需要一个微小的电压,正是这个电压被放大Aod倍得到输出电压。因此,运放的开环差模放大倍数越大,运放的两个输入端之间所需的电压就越小,就越接近虚短的理想假设 。
共模抑制比
两个输入端对地电压极性相同、大小相等的部分称为共模输入电压,记为Uic,Uic=(Up+Un)/2。实际运放对共模输入电压也有一定放大作用 ,数据手册虽然没有直接给出共模放大倍数,但有共模抑制比(kcmr),因为共模抑制比就是差模放大倍数与共模放大倍数的比值,所以用差模放大倍数除以共模抑制比就得到共模放大倍数(用Aoc表示)。以常见的运放LM358为例:Aod≈100dB(TYP),Kcmr≈80dB(TYP),所以共模放大倍数的大小就大致为:Aod/Kcmr=20dB,即10倍,看起来还不小。
这样看来,由运放构成的放大电路是不是还会对共模输入电压有放大作用,甚至有时候会将共模输入放大到很高的电压,将有用信号淹没?实际上不会。负反馈会产生一个额外的差模输入电压,重新调整输入,去抵消共模输入电压产生的输出 :假设共模输入电压被放大Aoc倍得到一个额外的输出电压,这个电压将通过反馈电路又加到反相输入端,改变原本的差模输入电压,从而又改变输出。因为是负反馈,所以这个改变是朝着抵消共模输入所产生的输出进行的。
同时因为运放的差模放大倍数很大,比共模放大倍数要大得多,所以差模输入只是改变了一点点,最终Un还是会近似等于Up,输出电压基本还是原来的值。也就是说,负反馈会在同相输入端和反相输入端之间产生一个额外的电压,这个电压被放大Aod倍后的电压跟共模输入电压被放大Aoc倍后的电压大小相等、方向相反,两者互相抵消。现在运放的两个输入端之间多了一个电压,这个电压的大小为Uic/Kcmr,它产生的计算误差和输入失调电压是一样的,可以把它折算成输入失调电压 。
不过,并不是说放大电路的输出电压总是不含共模输入电压的成分。 比如下图电路,也就是在同相放大电路的输入端再加上共模电压U2,这个电路的输出就含有共模电压U2,即Uo=(R1+Rf)/R1·U1+U2。在单电源供电的运放电路中有时会在输入端加直流偏置,就属于这种情况。
但这不是因为运放对共模输入信号有放大作用,即使运放的共模放大倍数真的为零,这个电路的输出电压依然含有U2。决定放大电路输出电压的是“虚短”、“虚断”以及KCL、KVL对电路各电压电流的约束关系 ,即输出电压只能是那个通过反馈电路加载到反相输入端的电压等于同相输入端电压的值。
最后总结一下:当运放工作在线性区时,对电路的分析都是基于“虚短”和“虚断”的理想假设,即:Up=Un、Ib=0,再根据KCL和KVL对电路中各电压电流的的约束关系,得出输出量与输入量之间的关系,所以任何使得以上假设不成立的非理想特性都将引入计算误差。不过,在多数情况下这些误差都可以忽略,实际情况与基于理想假设的计算结果基本是一样的,只在放大微弱信号或者高直流增益的时候才比较明显。
近乎无穷大的开环放大倍数和负反馈的结合,使得运放的闭环特性几乎只取决于反馈电路,而跟运放本身的特性无关。设计一个特定倍数的放大电路变得简单很多,它的放大倍数仅由电阻的比值来决定。而且因为电阻的精度及温漂通常比三极管和场效应管好很多,所以与分立元件的放大电路相比,用运放引入负反馈的方式设计的放大电路其性能指标通常也更稳定。
相关问答
氨基酸Rf值与其极性,非极性的关系是什么_作业帮
[最佳回答]极性和非极性这两个概念经常和疏水亲水联系在一起.根据相似相容原理,极性溶质溶于极性溶剂中,非极性溶质溶于非极性溶剂中.水经常作为溶剂,其是极性...
为什么rf值越大极性越小?
因为化合物的吸附能力与它们的极性成正比,具有较大极性的化合物吸附较强,因此Rf值较小。在给定的条件下(吸附剂、展开剂、板层厚度等),化合物移动的距离和...
薄层层析中,解释化合物结构与Rf值的关系如题所示~_作业帮
[最佳回答]这跟化合物与硅胶的结合程度、展开剂的极性有关
rf值大小比较规律?
Rf值大,物质的极性小,溶解度小。所以纸层析法溶解度大的Rf值小。有机物溶解度的大小主要看分子极性。分子极性大、含有较多亲水集团的,易溶于水。亲水基团有羟...
薄层层析中,解释化合物结构与Rf值的关系?
Rf值大的说明物质极性相对较小跟化合物的极性有关极性越大同一条件下在薄层板上的迁移值越小Rf值大的说明物质极性相对较小跟化合物的极性有关极性越...
正相色谱中,极性大的组分的Rf值大还是小?反相色谱中的情况又如何?
正向色谱中,固定相比流动相极性大,所以极性越大的组分被固定相吸附的越牢固,其Rf越小。反向色谱与此相反正向色谱中,固定相比流动相极性大,所以极性越大的组...
生物化学实验中不同氨基酸的Rf值为什么不同?
通过Rf与分配系数公式我们知道。Rf与分配系数、流动相与固定相的体积有关,由于体积比在同一实验条件下是常数,所以Rf只与分配系数有关。而分配系数取决于氨基...
吸附色谱中极性大Rf值?
正向色谱中,固定相比流动相极性大,所以极性越大的组分被固定相吸附的越牢固,其Rf越小。反向色谱与此相反正向色谱中,固定相比流动相极性大,所以极性越大的组...
流动相的极性与rf值有什么关?-166****3844的回答-懂得
薄层就是点板,分什么正反相!薄层就是硅胶,有Si-OH所以有极性,所以有极性的分子会倾向于吸附在上面。这时如果用正庚烷就会让极性较小的分子往上爬,...
吸附色谱中极性大Rf值?-我是宋怡艾吖的回答-懂得
吸附色谱中极性大Rf值,是的。如果您觉得正确或者采纳,麻烦给我好评,谢谢。
