如何设计一种电路让在200 ns内开启或关闭RF源?
在脉冲雷达应用中,从发射到接收操作的过渡期间需要快速开启/关闭高功率放大器 (HPA)。典型的转换时间目标可能小于1 s。传统上,这是通过漏极控制来实现的。漏极控制需要在28 V至50 V的电压下切换大电流。已知开关功率技术可以胜任这一任务,但会涉及额外的物理尺寸和电路问题。在现代相控阵天线开发中,虽然要求尽可能低的SWaP(尺寸重量和功耗),但希望消除与HPA漏极开关相关的复杂问题。
本文提出了一种独特但简单的栅极脉冲驱动电路,为快速开关HPA提供了另一种方法,同时消除了与漏极开关有关的电路。实测切换时间小于200 ns,相对于1 s的目标还有一些裕量。其他特性包括:解决器件间差异的偏置编程能力,保护HPA免受栅极电压增加影响的栅极箝位,以及用于优化脉冲上升时间的过冲补偿。
典型漏极脉冲配置
通过漏极控制开关HPA的典型配置如图1所示。一个串联FET开启输入HPA的高电压。控制电路需要将逻辑电平脉冲转换为更高电压以使串联FET导通。
此配置的难点包括:
●大电流的切换要求从大容量电容到HPA漏极引脚的路径是一条低电感路径。
●关闭时,漏极电容保有电荷,需要额外的放电路径。这是通过额外的FET Q2来实现的,对控制电路的约束随之增加:Q1和Q2绝不能同时使能。
●很多情况下,串联FET是N沟道器件。这要求控制电路产生一个高于HPA漏极电压的电压才能开启。
控制电路的设计方法已是众所周知且行之有效。然而,相控阵系统不断期望集成封装并降低SWaP,因此希望消除上述难点。实际上,人们的愿望是完全消除漏极控制电路。
图1. 传统HPA脉冲漏极配置。
推荐栅极脉冲电路
栅极驱动电路的目标是将逻辑电平信号转换成合适的GaN HPA栅极控制信号。需要一个负电压来设置适当的偏置电流,以及一个更大的负电压来关闭器件。因此,电路应接受正逻辑电平输入并转换为两个负电压之间的脉冲。电路还需要克服栅极电容影响,提供急速上升时间,过冲应极小或没有。
对栅极偏置设置的担忧是,偏置电压的小幅增加可能导致HPA电流的显著增加。这就增加了一个目标,即栅极控制电路应非常稳定,并有一个箝位器来防止受损。另一个问题是,设置所需漏极电流时,不同器件的最佳偏置电压有差异。这种差异使得人们更希望有系统内可编程栅极偏置特性。
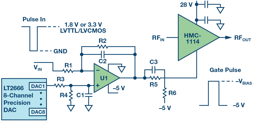
图2. 推荐HPA栅极驱动电路。
图2所示电路达成了所述的全部目标。运算放大器U1使用反相单负电源配置。利用一个精密DAC设置运算放大器基准电压,以实现V+引脚上的增益。当逻辑输入为高电平时,运算放大器箝位到负供电轨。当输入为低电平时,运算放大器输出接近一个小的负值,该值由电阻值和DAC设置决定。反相配置是故意选择的,目的是当逻辑输入为低电平或接地时开启HPA,因为逻辑低电平的电压差异小于逻辑高电平。采用轨到轨运算放大器,它具有较大压摆率和足够的输出电流驱动能力,适合该应用。
元件值选择如下:
●R1和R2设置运放增益。
●DAC设置连同R3和R4决定运算放大器V+引脚的基准电压。C1和R3针对低通滤波器噪声而选择。
● R5和R6用于实现重要的箝位功能。这是因为运放的VCC引脚以地为基准,所以这是运放输出的最大值。R5和R6为–5 V电源提供一个电阻分压器。
●R5的不利影响是由于栅极电容,它会减慢脉冲响应。这要通过增加C3来补偿,以实现陡峭的脉冲。
●C2的值较小,用以限制运放输出脉冲上升沿的过冲。
实测数据
用于验证电路的测试设置如图3所示。对精密DAC、运算放大器和HPA使用评估板。一个脉冲发生器用于模拟1.8 V逻辑信号。信号发生器连续工作,利用一个输入带宽高于RF频率的RF采样示波器测量HPA对RF信号的开启/关闭。
图3. 测试设置。
测试所用的元器件值参见表1。
表1. 所用元器件值
实测开启时间如图4所示。时间标度为每格500 ns,RF信号的上升时间小于200 ns。对于测量从栅极脉冲开始到RF脉冲上升沿结束的时间的系统,可以看到开启时间约为300 ns,这说明系统分配1s用于发射到接收转换会有相当可观的裕量。
图4. 实测HPA开启时间。
图5. 实测HPA关闭时间。
实测关闭时间如图5所示。时间标度同样是每格500 ns,下降时间明显快于上升时间,同样远小于200 ns,说明系统分配1 s用于发射到接收转换会有相当可观的裕量。
布局考虑
对一个代表性布局做了尺寸研究,如图6所示。栅极脉冲电路的运算放大器部分放置在通向HPA输入的RF路径附近。精密DAC未显示出来,假定其放置在控制部分中,为多个发射通道提供输入。布局研究表明,可将该电路添加到实际的低成本PWB实现方案中,发射RF电路所需的额外空间极小。
图6. 物理尺寸分配。
结语
本文提出了一种独特的栅极脉冲电路,并进行了HPA快速开/关评估。
其特性包括:
●转换时间小于200 ns。
●兼容任何逻辑输入。
●通过可编程偏置消除器件间差异。
●提供箝位保护以设置最大栅极电压。
●上升时间/过冲补偿。
● 尺寸支持高密度相控阵应用。
先进电子系统集成度不断提高,要求缩小物理尺寸,因此可以想象,这种电路及其方法的其他变化,将开始在需要快速HPA转换时间的相控阵应用中激增。
新大陆OY20-RF无线扫描枪能不能扫反白条码的设置方法
新大陆OY20-RF具备2.4G无线超远距离传输;拥有大容量品牌电池续航;丰富的解码种类,支持电脑,手机屏幕扫描;独有的低功耗电源管理系统,支持休眠功能;轻巧实用、 即插即用、免安装简单配对;适合中小型零售店/餐饮连锁等应用。
OY20-RF这款扫描枪能不能扫描反白条码呢?很多人也在问,什么是反白条码?这里给大家简单介绍一下什么是反白条码:
反白条码(又称:反相条码,反色条码),实际上只是条码图形的黑白颜色对换,如下图所示:
OY20-RF无线枪默认是关闭扫描反相条码的,通常只允许识读正相条码,通过读取以下设置码,可以开启或关闭扫码枪对反相条码的识读处理功能。
“允许识读反相条码”时,正相条码和反相条码都可以识读。
“禁止识读反相条码”时,仅能识读正相条码。
允许识读反相条码会使扫描器的识读速度稍稍降低。
注:正反色图像解码仅支持二维码制。
是否想了解产品,想要免费产品试用,样机测试,参数规格,开发文档,请查询天猫新大陆旗舰店,传翔全国销量第一。
相关问答
RF怎么删除?-175****0008的回答-懂得
双击安装程序或者在控制面板里的添加删除程序里找RF的程序删除就可以了RF是指射频,它不能被“删除”。如果您想停止对某个设备的射频信号发送,请将...
手机黑屏显示rftest是为什么?
首先在智能手机的广泛普及下,手机出现黑屏现象是很正常的,造成这种现象的原因有很多:手机超负荷运算,出现系统故障或卡死的现象时就会黑屏。手机处于...首...
rfled是什么模式?
RF模式是表示探测雷达的工作模式,有“市区模式/郊区模式/自动模式关闭”三种模式。这个功能主要针对监控雷达,尤其对于流动测速的播报是固定测速之外的一种完...
开启飞行模式和关闭射频有不同吗?-ZOL问答
8条回答:【推荐答案】飞行模式,手机的通信模块关闭,更省电,,射频属于通信模块的一部分
如何关闭手机射频?
手机连上网络就会开启射频,关闭射频就是关闭网络,也就是常说的飞行模式,此时的手机相当于一个pad,不能打电话,收短信,上网等等。不可能因为省电就把手机端...
万和燃气热水器rf故障-ZOL问答
RF讨论回答(7)万和燃气热水器故障排除方法万和燃气热水器是众多家庭中常用的...其次,需要检查电源是否正常工作,可以尝试更换电源线或者使用其他插座进行测试...
麻烦请教各位!光谱仪EDXRF测试的不确定度问题是什么?
[回答]光谱仪皮革鞣制中经常会加入铬鞣剂,因铬盐能赋予成革柔软、丰满、高强度、耐储存、耐水洗、不易褪鞣、耐湿热稳定性好等优良性能。但Cr6对人体与自...
谁能回答!光谱仪EDXRF测试的不确定度问题是什么?哪位大神能...
[回答]光谱仪(1)准直器的作用是将发散射线变成平行射线束,是由一系列间隔很小的金属片制成。(2)准直器由平行金属板组成,其片间距越小,分辨率越高,强度也...
创维电视,用遥控器按了uplayer键不知道怎么退出?
先按“信号源”键,屏幕的右上角会出现一竖字。用频道键切换到“电视”(有的是TV)。在按“音量加”(有的是进入)就可以了。1、Uplayer是创维电视通过USB接...
兴戈ew100麦克风怎么用?
.当使用完毕后,需要将接收器和发射器关闭并拔掉电源适配器,将麦克风放置于干燥通风处。同时,要注意麦克风的保养和清洁,定期清洁麦克风网罩,避免灰尘、污物...
