典型电饭锅电路的识图方法
电饭锅属于电热类小家电产品,其核心器件是加热器(电热盘)和控制器件。而控制器件根据控制方式的不同,主要有温控器和单片机两种。下面介绍典型电饭锅电路的识图方法和技巧。
万家乐CFXB25-1/CFXB40-1型电饭锅电路
万家乐CFXB25-1/CFXB40-1型机械控制型电饭锅电路的核心器件是加热盘、总成开关、磁钢温控器、保温器,辅助器件有热熔断器(温度型熔断器)、指示灯、限流电阻等,如图4-1所示。
图4-1 万家乐CFXB25-1/CFXB40-1型
1.加热电路
放入内锅后,将电源插头插入市电插座,再按下总成开关的按键,磁性温控器内的永久磁铁在杠杆的作用下克服弹簧的推力,上移与感温磁铁吸合,使总成开关的触点闭合。此时,220V市电电压不仅为加热盘供电,使加热盘发热煮饭,而且通过150kΩ电阻限流,使红色指示灯发光,表明电饭锅工作在煮饭状态。当煮熟饭时(温度达到103℃),磁钢温控器内感温磁铁的磁性消失,感温磁铁在弹簧的作用下复位,通过杠杆将总成开关的触点断开,此时市电电压通过保温板(电阻丝)降压后,为加热盘供电,电饭锅进入保温状态。同时,市电电压通过150kΩ限流电阻为黄色指示灯供电,使它发光,表明电饭锅工作在保温状态。
2.过热保护电路
热熔断器用于过热保护。当总成开关触点粘连使加热盘加热时间过长,导致加热温度达到165℃时热熔断器熔断,切断市电输入回路,加热盘停止加热,以免加热盘过热损坏,实现过热保护。
格兰仕Y4、Y6系列电饭锅电路
格兰仕Y4、Y6系列电饭锅电路的核心元件是加热盘(发热盘)、开关总成、限温器(磁钢),辅助器件有热熔断器(温度型熔断器)、控温器、指示灯、限流电阻等,如图4-2所示。
图4-2 格兰仕Y4、Y6系列电饭锅电路
1.加热、保温电路
放入内锅后,将电源插头插入市电插座,再按下开关总成的按键,通过磁钢使磁钢内的永久磁铁与感温磁铁吸合,使总成开关的触点闭合。此时,220V市电电压通过热熔断器输入后,不仅为加热盘(发热盘)供电,使它开始加热煮饭,而且通过电阻限流,使煮饭指示灯发光,表明电饭锅工作在煮饭状态。当煮饭温度达到 103℃时,饭已煮熟,磁钢内的感温磁铁的磁性消失,感温磁铁在弹簧的作用下复位,通过杠杆将总成开关的触点断开,加热盘停止加热,电饭锅进入保温状态。同时,市电电压通过限流电阻为保温指示灯供电,使它发光,表明电饭锅工作在保温状态。保温期间若米饭没有被食用,当锅内的温度低于55℃时,控温器的触点闭合,为加热盘供电,加热盘发热;当加热温度达到65℃时,控温器的触点断开,停止发热。这样,在控温器的控制下,米饭的温度被保温在55~65℃。
2.过热保护电路
热熔断器用于过热保护。当总成开关或温控器的触点粘连,使加热盘加热时间过长,导致加热温度达到 165℃时后热熔断器熔断,切断市电输入回路,加热盘停止加热,实现过热保护。
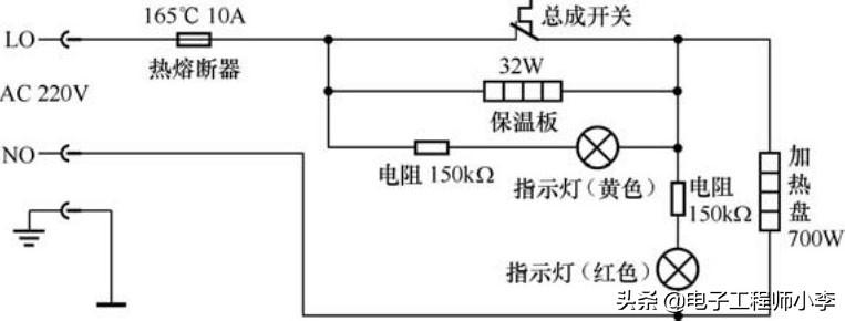
美的MB-YHB40型电饭锅电路
美的 MB-YHB40 型电饭锅电路的核心元器件是加热器(主、副、上盖加热器)、总成开关、限温器(磁性温控器)ST1、保温温控器ST2,辅助器件是热熔断器FU、指示灯、限流电阻等构成,如图4-3所示。
图4-3 美的MB-YHB40型电饭锅电路
1.加热、保温电路
需要煮饭时,按下总成开关ST1的按键,通过杠杆使磁钢内的永久磁铁与感温磁铁吸合,使总成开关组件的触点接通。此时,220V市电电压不仅为主加热器(加热盘)EH1供电,使EH1开始加热煮饭,而且通过R1限流,使煮饭灯HL1发光,表明电饭锅工作在煮饭状态。当煮饭的温度升至103℃时,饭已煮熟,磁钢限温器的感温磁铁磁性消失,在弹簧的作用下复位,通过杠杆将 ST1 的静触点与上边的动触点断开,而与下边动触点接通,此时由于温控器 ST2的触点断开,电饭锅进入保温状态。随着保温的进行,锅内温度不断下降,当温度低于65℃后,ST2的触点闭合,使市电电压通过EH2、EH1构成的回路,使EH2开始加热,对侧面的米饭加热,确保侧面的米饭也柔软可口。同时,EH2两端产生的电压一路为上盖加热器EH3供电,使它发热,将水蒸气烘干,以免滴入米饭,确保米饭干松爽口;另一路经R2限流,使HL2发光,表明电饭锅工作在保温状态。这样,在ST2的控制下,米饭的温度被控制在65℃左右。
2.过热保护电路
过热保护电路由热熔断器FU构成。当总成开关ST1或温控器ST2的触点粘连,使加热器加热时间过长,导致加热温度超过 160℃后 FU 熔断,切断市电输入回路,加热器停止加热,避免了加热器等器件过热损坏,实现过热保护。
家乐GDS70-BI型电饭锅电路
家乐 GDS70-BI 型电饭锅电路由电源电路、微处理器、加热控制电路等构成,如图4-4所示。
1.电源电路
该机的电源电路由变压器T、稳压器IC1、整流管VD1~VD4、滤波电容C4等构成。
该机输入220V市电电压后,市电电压通过电源变压器T降压,从它的次级绕组输出9V左右(与市电高低有关)的交流电压。该电压经D1~D4桥式整流,再通过C1滤波产生12V左右的直流电压。该电压不仅为继电器J的线圈供电,而且经三端稳压器LM7805稳压产生5V直流电压。5V电压利用C2、C3滤波后,不仅为温度取样电路、市电过零检测电路等供电,而且为微处理器电路供电。
2.市电过零检测信号形成电路
该机室内机的市电过零检测信号形成电路由变压器T、放大管V4为核心构成。
由变压器T输出的50Hz交流电压经R15限流,C6滤波后,再通过V4倒相放大,产生50Hz的市电过零检测信号。该检测信号通过C10滤波后,加到CPU(MH8841)的K3脚,被CPU识别后,确保上盖加热器供电回路中的单向晶闸管在市电过零点处导通,避免了它在导通瞬间可能因过流损坏,实现它的低功耗导通控制。
3.微处理器电路
微处理器电路由CPU基本工作条件电路、操作键电路、指示灯显示电路、蜂鸣器电路等构成。
图4-4 家乐GDS70-BI型电饭锅电路
(1)CPU基本工作条件电路
该机的CPU基本工作条件电路由供电电路、复位电路和时钟振荡电路构成。
当电源电路工作后,由它输出的5V电压经C2、C3滤波后,加到CPU的VDD脚为它供电。CPU得到供电后,它内部的振荡器与OSC1、OSC2脚外接的电阻R20通过振荡产生时钟信号。该信号经分频后协调各部位的工作,并作为CPU输出各种控制信号的基准脉冲源。同时,5V供电通过C7充电,为CPU的INIT脚输入一个由高到低的复位信号,使CPU内的存储器、寄存器等电路复位后开始工作。
(2)操作电路
操作电路以CPU、操作键S1、S2、V3、D6~D9构成。该操作键电路采用键扫描方式。CPU的Q6脚输出的键扫描信号经R13限流,再经V3倒相放大后,加到S1、S2的左端。未按压S1、S2时,CPU的K1、K2脚无操作信号输入,CPU不执行操作命令;当按压S1、S2使CPU的K1、K2有键扫描信号输入,被CPU识别后执行操作程序,不仅控制加热进入相应的工作状态,而且控制指示灯显示工作状态。
(3)显示电路
显示电路以CPU、发光二极管LED1~LED6构成。需要LED1~LED6发光,表明该机的工作状态时,CPU的R2~R6、Q7脚相应的端子就会输出指示灯驱动信号。
(4)蜂鸣器电路
蜂鸣器电路由CPU、蜂鸣器B及其放大器V5等构成。
进行功能操作、程序结束或需要报警时,CPU的R9脚输出的音频信号经R11限流,再经V5倒相放大后,驱动蜂鸣器B鸣叫,完成提示和报警功能。
(5)硬性米/软性米选择电路
硬性米、软性米选择电路由CPU、开关S3构成。
当用户使用晚稻米、糯米等软性米做饭时,拨动S3将它接在CPU的R7脚上,被CPU识别后执行软性米煮饭程序,自动缩短吸水和加热时间。当使用早稻米等硬性米做饭时,拨动 S3将它接在CPU的R8脚上,被CPU识别后执行硬性米煮饭程序,自动延长吸水和加热时间。
(6)温度取样电路
温度取样电路由锅底温度传感器RT、锅盖温度传感器Rf、比较器LM393、 CPU为核心构成。
LM393的同相输入端⑤脚输入的是CPU输入的控制电压,而LM393的⑥脚输入的温度取样电压。由于LM393的⑤脚通过5只二极管和5只不同阻值的电阻接CPU的5个端子,所以CPU根据固化的程序分别从这5个端子输出高电平或低电平电压值,也就实现了5个不同温度点的设置。
4.吸水控制电路
在选择好煮饭方式或设置好定时时间,被CPU识别后,根据内部固化的程序控制该机执行吸水程序。此时,CPU的Q1~Q4端输出低电平,Q5、Q0端输出高电平控制信号。Q0端为高电平后通过D14、R40与RC分压后,为LM393的⑤脚提供的参考电压最低;Q5输出的高电平经D19、RT与Rf、R17取样后,使LM393的⑤脚电压高于⑥脚电压,于是LM393⑦脚输出高电平电压,该电压经D13加到CPU的K4脚,被CPU识别后控制R0输出的信号为高电平,经V1 倒相放大,为继电器J的线圈供电,使它的触点闭合,煮饭加热器得到供电后发热,水温逐渐升高。当水温达到40℃左右时,RT的阻值减小到需要值,经取样后为LM393的⑥脚提供的电压超过⑤脚电压,于是 LM393⑦脚输出的信号为低电平,被 CPU 识别后,控制R0输出低电平信号,经V1倒相放大后,使J的触点断开,煮饭加热器停止加热。这样,在内部程序和温度检测电路控制下,使煮饭加热器间断加热,让水温保持在40℃左右,确保米粒能充分吸入水分。
5.煮饭控制电路
完成吸水程序后,CPU根据内部固化的程序控制该机执行煮饭程序。此时CPU的Q1~Q4端输出低电平,Q4、Q5端输出高电平控制信号。Q4端为高电平后通过D18、R95与RC分压后,为 LM393 的⑤脚提供的参考电压最高;Q5 输出的高电平经 D19、RT 与 Rf、R17取样后,使LM393的⑤脚电压高于⑥脚电压,如上所述,煮饭加热器发热,使水温逐渐升高,直至沸腾,实现快速煮饭。当RT检测的温度达到95℃左右时,RT的阻值减小到需要值,经取样后为LM393的⑥脚提供的电压超过⑤脚电压,于是LM393⑦脚输出的信号为低电平,被CPU识别后,控制R0输出低电平信号,经V1倒相放大后,使J的触点断开,煮饭加热器停止加热,进入焖饭程序。
在煮饭过程中,锅盖传感器Rf对室内温度和水蒸气进行检测,以改变LM393的⑥脚输入的电压,也在一定范围内控制了加热器的加热时间。
6.焖饭、保温电路
进入焖饭程序后,CPU根据内部固化的程序。此时CPU从Q0、Q1、Q3、Q4端输出低电平,Q2、Q5、R1端输出高电平控制信号。Q2端为高电平后通过D16、R70与RC分压后,为 LM393⑤脚提供的参考电压升高,Q5 输出的高电平经 D19、RT 与 Rf、R17 取样后,使LM393的⑤脚电压低于⑥脚电压,煮饭加热器不能加热。R1端输出的高电平信号经R4限流、V2射随放大后,使单向晶闸管VS导通,接通上盖加热器的供电回路,使它开始加热,将上盖的凝露水烘干,以免它们滴入米饭,导致米饭发黏。焖饭结束后进入保温状态,此时CPU控制控制保温指示灯发光,表明进入保温状态。随着保温时间的延长,当RT检测的温度达到50℃左右时,RT的阻值增大到需要值,经取样后为LM393⑥脚提供的电压超过⑤脚电压,于是LM393⑦脚输出的信号为高电平电压,被CPU识别后,控制R0输出高电平信号,如上所述,煮饭加热器开始加热,使温度升高。当温度超过70℃后,RT的阻值减小,使LM393的⑦脚输出低电平电压,CPU的R0脚输出低电平信号,煮饭加热器停止加热。这样,在RT、CPU的控制下,煮饭加热器间断性加热,不仅使米饭的温度保持在65℃左右,而且使米饭松软可口。
7.过热保护电路
过热保护功能由热熔断器完成。当继电器J的触点粘连或其驱动电路异常,使加热器加热时间过长,导致加热温度达到热熔断器的保护阈值后它熔断,切断市电输入回路,加热器停止加热,避免了加热器等器件过热损坏,实现过热保护。
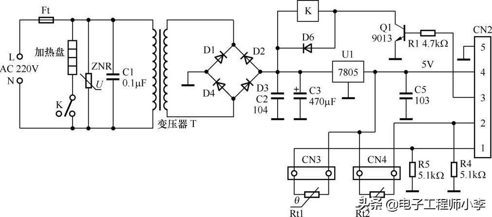
美的MB-YCB系列电饭锅电路
美的MB-YCB系列电饭锅有MB-YCB30B、MB-YCB40B、MB-YCB50B三种型号,它们的电路构成相同,都是由电源电路和加热/保温控制电路两大部分构成。
1.供电电路
供电电路由继电器K、变压器T、整流管D1~D4、稳压器U1、滤波电热C1~C3等构成,如图4-5所示。
图4-5 美的MB-YCB系列模糊控制型电饭锅电源电路
220V市电电压经熔断器Ft输入到电源板,再经C1滤除市电中的高频干扰脉冲,随后加到变压器T的初级绕组,从它的次级绕组输出12V左右(与市电高低有关)交流电压,再经D1~D4桥式整流,利用C2、C3滤波产生12V左右的直流电压。该电压分为两路输出:一路为继电器 K 的线圈供电;另一路经三端稳压器 U1(7805)稳压产生 5V 直流电压,通过C5滤波后再经连接器CN2的④脚为微处理器电路供电。
市电输入回路的ZNR是压敏电阻,用于防市电过压和雷电窜入保护。
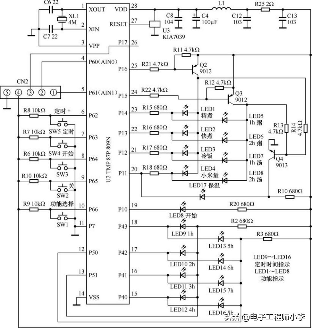
2.微处理器电路
该机的微处理器电路由微处理器TMP87P809N为核心构成,如图4-6所示。
图4-6 美的MB-YCB系列模糊控制型电饭锅控制电路
(1)TMP87P809N的实用资料
TMP87P809N的引脚功能和引脚维修参考数据如表4-1所示。
表4-1 微处理器TMP87P809N的引脚功能和维修参考数据
(2)工作条件电路
5V供电:插好电饭锅的电源线,待电源电路工作后,由其输出的5V电压经R25限流,再经C12、L1、C4、C8组成的π形滤波器滤波后,加到微处理器U2(TMP87P809N)供电端 28 脚为它供电。
复位电路:复位电路由 U2、复位芯片 U3(KIA7039)和相关元件构成。开机瞬间,由于5V供电在滤波电容的作用下是逐渐升高的,当该电压低于设置值(多为4V)时,U3输出一个低电平的复位信号。该信号加到U2的 27 脚后,U2内的存储器、寄存器等电路清零复位。当5V供电超过4V后,U3输出高电平信号,使U2内部电路复位结束,开始工作。
时钟振荡:时钟振荡电路由微处理器U2和晶振XL1为核心构成。U2得到供电后,它内部的振荡器与①、②脚外接的晶振XL1和移相电容C6、C7通过振荡产生4MHz的时钟信号。该信号经分频后协调各部位的工作,并作为U2输出各种控制信号的基准脉冲源。
3.加热、保温电路
该机的加热、保温电路由加热盘、微处理器 U2、温度传感器(负温度系数热敏电阻)Rt1及Rt2、继电器K1等构成,如图4-5、图4-6所示。
未加热时,Rt1、Rt2的阻值较大,通过取样后此时的电压较低,加到U2的④、⑤脚后,U2将电压数据与内部存储器固化的不同电压数据对应的温度值比较后,确认锅内温度低,并且无水蒸汽,U2可接受煮饭等功能操作。此时,通过功能键选择煮饭功能,并按下开始键,被U2识别后,U2控制快煮和开始指示灯发光,表明电饭锅进入煮饭状态,同时从脚输出高电平信号。该信号经连接器CN2的③脚输入到电源板,通过R1加到放大管Q1的b极,经它倒相放大后为继电器K的线圈供电,使K内的触点闭合,为加热盘供电,使它开始发热,进入煮饭状态。当水温达到100℃,传感器Rt1的阻值减小,使U1的⑤脚输入的电压增大到设置值,被 U2 识别后控制它的 26 脚间断性输出高电平、低电平控制信号,维持沸腾状态。保沸时间达到20min左右,U2的 26脚输出低电平,使加热盘停止加热,电饭锅进入焖饭状态。此时,米饭基本煮熟,但米粒上会残留一些水分,所以焖饭达到一定时间后,U2的 26 脚再次输出高电平信号,使加热盘开始加热,将米粒上多余的水分蒸发掉后,Rt2 的阻值减小到设置值,为U2的④脚提供的电压逐渐增大到设置值,U2判断饭已煮熟,不仅控制蜂鸣器鸣叫,提醒用户饭已煮熟,而且控制脚输出低电平信号,使加热盘停止加热,同时控制煮饭指示灯熄灭,提醒用户煮饭结束,米饭可以食用。若未进行操作,自动进入保温状态。保温期间,U2控制保温指示灯LED17发光,表明该机进入保温状态。此期间,加热盘在Rt1、U2、Q1、K的控制下,温度保持在65℃左右。
4.过热保护电路
过热保护功能是通过热熔断器 Ft 实现的。当继电器 K 的触点粘连或其驱动电路异常,使加热器加热时间过长,导致加热温度达到Ft的保护阈值后它熔断,切断市电输入回路,加热器停止加热,避免了加热器等器件过热损坏,实现过热保护。
这不只是一篇佳能"RF百微"的试拍体验
这里是溢图科技(原“相机笔记”)
不算长的引子
2010年3月,正在某杂志社实习的ET拿到了佳能EOS 7D与EF 100mmf/2.8L IS USM微距(以下简称“
11年又4个月后,ET终于拿到了“红圈百微”的继任者RF100mm F2.8 L MACRO IS USM(以下简称“RF百微”)。新卡口、新设计、新功能与更强的倍率,我相信“RF百微”一定可以书写新的“百微传奇”。
产品概述
佳能RF100mm F2.8 L MACRO IS USM(以下简称“RF百微 ”)发布于2021年4月。它是首款无需其他附件即可实现1.4倍放大倍率,并能兼顾日常拍摄*的自动对焦微距镜头。
* 美能达曾推出过可实现最高3倍放大的自动对焦微距镜头,但只能拍摄微距,无法在无穷远合焦。
与微距相关的一些概念
对焦距离:
大多数可换镜头相机的机身顶部都有一个类似“θ”的标志,它代表了传感器的位置,从这里到被摄对象的距离就是“对焦距离”。不难发现,对焦距离包含了法兰距与镜头长度。
工作距离 :
指镜头前端到被摄对象的距离。(工作距离 = 对焦距离 – 法兰距 – 镜头长度)
对于RF100mm F2.8 L MACRO IS USM
1.0倍时的最近对焦距离约为28cm,此时工作距离约为11.2cm
1.4倍时的最近对焦距离约为26cm,此时工作距离约为9.2cm
放大倍率:
相同焦距镜头,对焦距离越短,放大能力越强;相同对焦距离下,焦距越长,放大能力越强。那么焦距不同、对焦距离也不相同的镜头如何比较放大能力呢?这时候我们就需要引入“放大倍率”了。
放大倍率即传感器上成像大小与被摄物体的比值。如果一款镜头的放大倍率为1.0倍(或写作1:1),意味着它在传感器上所成影像与被摄物体是一样大的。换一种表述方式:使用全画幅相机搭配具有1.0倍放大倍率的镜头时,可以让36mm×24mm(或更大)尺寸的被摄物体充满整个画面。
RF100mm F2.8 L MACRO IS USM具有1.4倍放大倍率,也就是能让约25.7mm×17.1mm的物体充满整个画面。虽然乍看起来与APS-C画幅相机接装1.0倍放大倍率镜头的结果近似,但显然全画幅相机可以提供更好画质。
既然提到了“像素”,必须强调下以上讨论的“放大倍率”都基于光学成像 。在今天,大家都是通过屏幕查看照片,屏幕分辨率、照片分辨率(相机像素)也会影响到照片进一步放大细节的能力,而这其实是另外的话题了。
进一步了解
镜身设计:
拿到RF百微的第一感觉就是镜头很长。我手里没有红圈百微,根据官网上的规格表可知RF百微与红圈百微+EF-EOS R转接环的长度基本相当,重量还要稍轻一些。RF百微的最后一片镜片几乎贴在卡口末端,所以绝不是简单地“接屁股”镜头。
光学设计:
RF百微是为数不多没有配置特殊镜片的L级镜头。从实际拍摄的情况看,RF百微全开光圈时就能从中心锐到极边缘,很好诠释了“微距无弱旅 ”这句话。开关机内镜头校正功能,可以看到畸变非常轻微,暗角情况也在正常范围。或许是因为没有使用UD、超级UD镜片,在一些极端工况下还是会有一些紫边,大家可以活用PS、LR等软件中的色差消除功能来进行校正。
▲ 比较极端的拍摄状况(经过后期色差校正)
防抖性能:
RF百微延续了红圈百微上的双重IS功能,并且与EOS R5、EOS R6和未来的EOS R3配合时可以实现最高8级的联动防抖。双重IS功能在过去很长时间里都是佳能微距镜头的独有能力,即在俯仰、摇摆抖动补偿基础上增加了微距摄影中常见的X/Y平移抖动补偿 。
虽然补偿能力会随着最近对焦距离缩短、放大倍率提高而逐渐下降(1.0倍时的抖动补偿约为2级),但和完全没有防抖相比,拍摄体验还是会有显著差别的 —— 先不说最后能不能拍清楚,关闭防抖后连取景时确认合焦都变得非常困难。
* 具有双重IS防抖功能的镜头配合EOS R5、EOS R6时,拍照时由镜头提供平移抖动补偿,视频时由机身提供平移抖动补偿。
对焦性能:
RF百微不仅采用了RF红圈镜头中常见的NANO USM马达,同时以双马达实现了电子浮动对焦。利用新的浮动对焦结构,佳能不仅实现了更高放大倍率、优化了呼吸效应、还衍生出了球差控制功能。和绝大多数微距镜头一样,RF百微也提供了电子对焦限位器,有全程、0.5m到无穷远、0.26m到0.5m共3挡。实际拍摄中,如果被摄对象与背景反差较小(比如近似颜色的花草)、被摄物体处于运动状态(虫),可能很难使用自动对焦获得0.6x或更高的放大倍率。这时候还得是使用微距镜头的经典做法:切换MF模式调整对焦距离,设定自己希望的放大倍率,然后通过移动相机镜头来寻找合焦位置—— 手持拍摄的话,有防抖和没防抖的拍摄体验还是差别很大的。
球差控制:
早在红圈百微时代,就有不少朋友使用它来拍摄人像 —— 说来也巧,ET现在硬盘里留下的最早的红圈百微试机照就是一张人像照片。到了RF百微,佳能独立控制浮动镜片的移动达成了球差调节功能,为人像、静物拍摄带来了更丰富的画面效果。
球差-向:背景轮廓更柔和、前景轮廓更硬朗、合焦位置变得柔和。
球差+向:背景轮廓更硬朗、前景轮廓更柔和、合焦位置变得柔和。
需要注意的是,球差调节会让构图、焦点发生轻微变化,所以需要在设置球差后重新进行对焦(在ET的拍摄中,自动对焦功能在设置球差后依然正常工作)。小光圈、接近最高放大倍率时,球差控制可能会变得不大明显。
▲ 球差控制和视角
▲ 球差控制和光圈(正向调节)
▲ 球差控制和光圈(负向调节)
▲ EOS R6 | 100mm | F4.0 | 1/50s | ISO-500 | SA+向
防护性:
相比于红圈百微,RF百微除了具有防尘防滴溅结构外,还在镜片前端增加了抗污氟涂层—— 这对于微距拍摄真的太重要了,拍摄中很容易不小心怼到花花草草上。
其他附件:
和红圈百微一样,RF百微也可以选配脚架环来提高拍摄稳定性(特别是竖拍时)。区别在于红圈百微是在机身上留了一个凹槽来配合传统脚架环,而RF百微则是留下了3个定位槽,通过一个适配器组件接装脚架环。这样做应该是为了在不使用脚架环时,镜筒线条可以更美观。
(官网图片)
点评与小结
开启RF“专微”时代后,佳能不少新镜头都强化了近摄特写能力:RF70-200mm F4 L IS USM达到了0.28倍、RF35mm F1.8 MACRO IS STM和85mm F2 MACRO IS STM达到了0.5倍。在这样的背景下,新一代专业微距镜头自然也要有所突破,这样才能与常规镜头拉开档次。作为结果,RF百微实现了放大倍率、防抖、对焦和功能性的全方位进步,尺寸重量也得到了很好地控制。
其实,很多朋友在看到这款镜头发布时就已经摩拳擦掌,只待大批量到货。有红圈百微的珠玉在前,ET再多安利也不过是锦上添花罢了。
实拍样片
这次拍摄样片有两个比较直接的感受:防抖对于微距太有用了,光线对于微距太重要了。所有样片都是手持拍摄完成,部分使用了额外的补光 —— ET手里现在只有普通的机顶闪光灯,没有配引闪器,而在比较近的对焦距离下,机顶直接闪光通常会在照片中制造很明显的遮挡。
所以微距拍摄还是需要使用专门的补光灯,比如佳能原厂就有MR-14EX II微距环形灯和MT-26EX-RT微距双头灯。
最后的最后,虽然佳能EOS R5、EOS R6在关机时可以落下快门幕帘,减少CMOS上落灰的情况。但因为微距拍摄常常会使用小光圈,所以还是建议 大家在开始拍摄前清洁下CMOS —— 照片后期还好做,视频的话就真的比较麻烦了。
▲ EOS R5 | 100mm | F8.0 | 1/50s | ISO-800
▲ EOS R5 | 100mm | F8.0 | 1/30s | ISO-800
▲ EOS R5 | 100mm | F8.0 | 1/50s | ISO-800
▲ EOS R5 | 100mm | F8.0 | 1/100s | ISO-3200
▲ EOS R5 | 100mm | F8.0 | 1/50s | ISO-3200
▲ EOS R5 | 100mm | F11 | 1/30s | ISO-1600
▲ EOS R5 | 100mm | F8 | 1/30s | ISO-1600
▲ EOS R6 | 100mm | F8 | 1/125s | ISO-500
▲ EOS R6 | 100mm | F16 | 1/200s | ISO-2000
▲ EOS R6 | 100mm | F11 | 1/400s | ISO-2500
▲ EOS R6 | 100mm | F11 | 1/50s | ISO-800
@溢图科技 由几个不想躺平的老炮儿组成,主要内容包括手机、电脑、摄影器材、数码酷玩,期待您的关注与互动。
相关问答
计量单位rt什么意思?
中文名:rt全称:retentiontime类型:色谱类的用语时间单位:(min)Rt=retentiontime,属于分析化学中,色谱类的用语.,被分离样品组分从进样开始到柱后出现...
rt在化学中代表什么条件?
Rt=retentiontime.属于分析化学中,色谱类的用语.被分离样品组分从进样开始到柱后出现该组分浓度极大值时的时间,也既从进样开始到出现某组分色谱峰的顶点时为...
Rt△意思?
[最佳回答].释义1rt含义题文汉语拼音RuTi首字母缩写通用邮件或论坛发贴见用:标题已经完全表述需要表达内容文仅写RT两字告诉读者要说标题说完rt视作图汉...
喜德盛rc600与rf380区别?
喜德盛rc600与rf380的区别,rc600采用的是禧玛诺5800套件,Rf380采用的是禧玛诺r三千套件。Rc600是22速速别,rf380是18速速别。喜德盛rc600与rf380...
线速度v、角速度ω、周期T、频率f、转速n之间的关系(1)线速...
[回答]T=1f,匀速圆周运动的线速度为v=2πrT=2πrf=2πnr,角速度ω=2πT=2πf=2πn,线速度v与角速度ω的关系:V=rω故答案为:2πr,2πr,2π,2π,rωT=1f,...
劳伦斯和利文斯设计出回旋加速器,工作原理示意图如图所示....
[回答]A、质子出回旋加速器的速度最大,此时的半径为R,则v=2πRT=2πRf.所以最大速度不超过2πfR.故A正确.B、根据qvB=mv2R,知v=qBRm,则最大动能EKm=12mv2=...
... )A.质子第二次和第一次经过D型盒间狭缝后轨道半径之比为2
[回答]A、粒子在加速电场中做匀加速运动,在磁场中做匀速圆周运动,根据qU=12mv2,得v=2qUm,质子第二次和第一次经过D形盒狭缝的速度比为2:1,根据r=mvqB,则半...
开启时停用aero为什么点不了-ZOL问答
回复rtrf据我所知,F31有采用Nvidia显卡8400MGS和intel集成显卡两种类型如果你是8400MGS或其他N卡,请下载下面这个驱动32位系统64位系统如果你是intel集....
电气测量仪表符号的含义?
下面是【字符电路图符号大全】,供参考查阅。例如:KM表示中间继电器,QM表示电动机保护开关。AAT电源自动投入装置AC交流电DC直流电FU熔断器G发电机M电动...
美标WN法兰选用管子-盖德问答-化工人互助问答社区
如果公称通径对,公称压力对,后面补加一个要素接管壁厚,,可以比如wn125-150rfs=7其实是这样的制造厂管道需求是必须用公制管,但是他们不知道出...
