rf17减速机 R17,RF17斜齿轮减速机型号以及配置解读

小编头像

小编

管理员

发布于:2026年04月14日

162 阅读 · 0 评论

R17,RF17斜齿轮减速机型号以及配置解读

R17,RF17斜齿轮减速机型号以及配置解读

配有国际规格IEC60034-30的IE3或IE4高效电机,有效节省能源成本,且可承接各国频压。

采用市场上的通用的行业标准,外型安装尺寸与大多数德系减速电机制造商的产品兼容,通用性好,便于客户安装。·结构紧凑,耐冲击性强。

传动更平稳,噪音更小。更长的使用寿命,可靠性高

规格齐全,供货的功率范围为0.09KW-0.75KW的同轴式、平行轴式和斜齿轮-伞齿轮减速电机,斜齿轮蜗轮蜗杆减速电机供货功率范围为0.12-22KW。其速比更大,性能出众

多样化安装方式,如立式、卧式、马达直连式等,更加灵活,可按照客户要求选用。·减速机箱体采用灰铸铁,具有较好的耐磨性、铸造性和可切削性。

·采用优质低碳合金钢,具有抗冲击、耐磨、良好的韧性特点等。

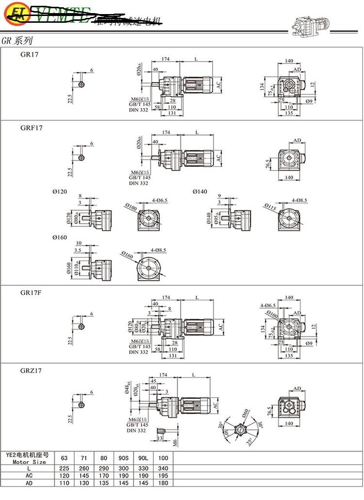
R17减速机基本型号说明

R17底脚安装斜齿轮减速机

RF17法兰安装斜齿轮减速机

R17F底脚-法兰安装

RX17单级底脚安装斜齿轮减速机

RXF17单级法兰安装斜齿轮减速机

R17减速机可配交流电机及附件名称

BMG制动器

/HF手动释放(锁在制动释放位置)

/HR手动释放(自动返回制动位置)

/RS逆止器

/TF热敏电阻保护装置(PTC热敏电阻)

/TH恒温器保护装置(双金属片开关)

F47RF17减速机 减速电机组合优势

F+RF组合减速机型号:

F157RF97减速电机,F127RF87减速电机,F127RF77减速电机,F107RF77减速电机,F97RF57减速电机,F87RF57减速电机,F77RF37减速电机,F67RF37减速电机,F57RF37减速电机,F47RF17减速电机,F37RF17减速电机,F27RF17减速电机

F+RF组合减速机特点:

  平行孔输出,斜齿轮传动。可配变频电机,刹车电机,防爆电机,伺服电机,交流电机,直流电机,三相电机,单相电机 0.12KW-18.5KW之间

 F+RF组合减速机的优势:

  1.F+RF组合减速机使用条件:环境温度-40至50°C(0°C以下启动时润滑油需加热到0°C以上或采用防冻润滑油),输入转速不大3000转/分,可用于正反转,无行业限制。

  2.F+RF组合减速机性能:此带减速机的电机用了系列化、模块化的设计,传动比覆盖范围广、分精细,传动效率高,耗能低,性能优越,齿轮经高精度磨齿机磨削加工,传动平稳,噪音低,承载能力大,寿命长,设计精巧,体积小,安装简便,用途广泛,安装方式多样,适合全方位的能安装配置,可实现R系列减速机双联体组合,适用于特殊低速的应用。

  3.F+RF组合减速机传动效率:采用了高精度齿轮、油封、轴承,有效降低了摩擦,齿轮传动的精度可达97%在某些安装方式时,入齿轮完全浸再润滑油中,对于大机座号和高输入转速的情况,须考虑搅油损失。

相关问答

减速器的作用及其工作原理是什么?

[回答]减速器的作用主要是:降低转速,增大输出扭矩,降低负载的惯量。工作原理是当电机的输出转速从主动轴输入后,带动小齿轮转动,小齿轮带动大齿轮运动,大...

减速器速比怎么分快慢?

减速机的快慢与速比可以通过齿轮模数和结构设计来判定。齿轮模数大,齿轮个数多则速比小,快速比大;齿轮模数小,齿轮个数少则速比大,快速比小。另外,减速...

减速机速比17怎么计算转速?

电动机一般是1400转左右每分钟,减速机速比1:17,那就1400除以17,就是82转左右每分钟。速比就是电机的额定转速除于减速机输出转速!例如:需求一台输出转速...

请哪位大侠回答一下减速机xwd6-17-11含意?

X系列6号机座,速比7,电机功率为11KW的摆线针轮减速机X系列6号机座,速比7,电机功率为11KW的摆线针轮减速机

减速机发热是什么原因造成的?

减速机和电机发热的原因:1、室温过高;2、散热不良;3、过载;4、过压欠压或电压不平衡;5、频繁起停或频繁正反转;6、缺相;7、风扇坏或进出风口堵;8...

K/KA/KF/KAF系列斜齿轮减速电机哪位大神知道?

[回答]2、在输出轴上安装传动件时,不允许用锤子敲击,通常利用装配夹具和轴端的内螺纹,用螺栓将传动件压入,否则有可能造成减速机内部零件的损坏。建议不采...

我想改个提升机能提500公斤的减速机要1:17的那电机配多大的好?圈轴用多粗的合理,急需帮忙?

上虞市东星齿轮减速电机给你的建议是:绳筒设为200mm,绳筒转速为84.1转每分,提升速度为52.8米每分钟,电机功率在5.5KW-7.5KW,输出轴为45-50mm。以上回答仅...

反应釜减速机BLD11-4-17表示什么-KnZirBko的回答-懂得

B系列摆线针轮减速机,立式安装,带电机,机座11,功率4KW,减速比17反应釜减速机BLD11-4-17表示B系列摆线针轮减速机,立式安装,电机机座11,功率4KW,减...

减速机一般多少钱?

[回答]您可以提供一下减速机的具体需求,然后才能给您反馈价格哦。减速机的价格受多方面影响,比如品牌、市场等,在选择购买之前,多方面地进行了解和对比是...

减速机速比是17输入输出各是多少圈?

减速比速比17,输入是输出的17倍,输入比输出是17:1。减速比速比17,输入是输出的17倍,输入比输出是17:1。

标签:

相关阅读