rf输入是什么意思 干货 终于明白模电里的反馈是什么意思了

小编头像

小编

管理员

发布于:2026年04月14日

161 阅读 · 0 评论

干货 终于明白模电里的反馈是什么意思了

本文对模拟电子技术课程中有关/反馈0的判别方法,诸如正、负反馈,电压、电流反馈以及串联、并联反馈等做了详细的分析比较。

反馈在电子技术领域中有着极其广泛的应用。在我们的电子设备中,经常会利用反馈来改善电路的性能,使电路的输出量(电压或电流)的变化反过来影响输入回路,从而控制输出端的变化,起到自动调节的作用,以达到预期的目的。因此,反馈成为模拟电子技术这门课程中一项很重要的内容。

但是,学生在学习这部分内容时,往往感到很困难,尤其对于复杂的电路,特别是电路中并不一定只具有一种反馈时,就更难分清哪一部分才是反馈,反馈类型又是怎样的?本文针对这一难点,谈谈反馈的判别方法。

1、如何判别反馈

要判断一个电路是否存在反馈,只要让学生观察放大电路的输入回路与输出回路之间是否存在跨接的电路元件。若有此电路元件,则有反馈;反之,则无反馈。例如,在图1所示的电路中,Re既存在于输入回路中,又在输出回路中,故Re是反馈元件,说明此电路含有反馈。

图1

2、如何判别正、负反馈

首先,采用瞬时极性法确定反馈信号的瞬时极性,而反馈信号的瞬时极性又取决于所取的输出信号的极性。掌握以下原则:

(1)对于共射极电路,c极与b极相位相反;对于共基极电路,c极与e极相位相同;对于共集极电路,e极与b极相位相同。

图2

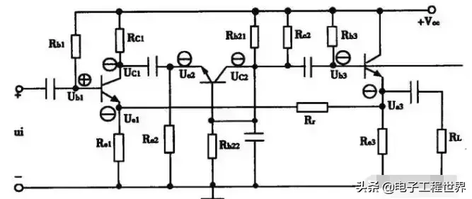
例如:图2所示的电路,可按上述原则对电路进行分析,设Ub1为©,则电路中各点的相位关系如下:

Ue3为ß,经电阻Rf和e1返送到T1管的发射极,则Ue1为ß,即反馈信号的瞬时极性为ß。

(2)对于运算放大电路来说,反相输入端u-和输出uo相位相反,而同相输入端u+和输出uo相位相同。

例如,图3所示电路,按瞬时极性法判断。设同相输入端u+有一瞬时增量©,则输出uo为©,经电阻Rf返送至反相输入端,使u-为©,即反馈信号的瞬时极性为©。

图3

其次,通过比较反馈信号与输入信号的瞬时极性来判断电路引入的是正反馈还是负反馈。当输入信号和反馈信号不在同一节点引入(其中一个节点为基极,另一个节点为发射极,或不同输入端)))如差动放大电路、集成运算放大电路等)时,若两者的瞬时极性相同,则为负反馈;两者的瞬时极性相反,则为正反馈。当输入信号和反馈信号从同一节点(一般为基极)引入时,若两者的瞬时极性相同,则为正反馈;两者的瞬时极性相反,则为负反馈。例如:图2所示电路引入的是正反馈,而图3所示电路引入的是负反馈。

3、电压反馈和电流反馈的判别

根据反馈到输入端的反馈信号是正比于输出电压还是正比于输出电流来分别决定是电压反馈还是电流反馈。注意我们是从输出端来判断电压反馈还是电流反馈,而不是从输入端来判断的,具体的判断方法通常可以采纳以下三种:

(1)将输出端短路(即令uo=0),观察此时电路是否仍有反馈信号。若电路中反馈信号消失,则为电压反馈;反之,若反馈仍存在,则为电流反馈。例如:在图3所示的电路中,若设uo=0,则uf=0,也就说明反馈信号消失,这类反馈就属于电压反馈。

(2)直接从输出端的取样对象来区分,若取样对象为输出电压,则为电压反馈;若取样对象为输出电流,则为电流反馈。在这里我们仍以图3电路为例,从该电路的输出端来看,取样对象为输出电压uo,由于Rf和R1组成分压器,使得反馈电压uf是uo的一部分,故为电压反馈。

(3)除公共接地线外,若输出信号与反馈信号从同一点引出,则为电压反馈;若输出信号与反馈信号从不同点引出,则为电流反馈。对于图4所示电路,反馈信号uf从输出端A点取出,而输出信号UO从O点取出,因它们取自不同点,故为电流反馈。

图4

4、串联反馈和并联反馈的判别

串联反馈和并联反馈是以反馈信号与输入信号在电路的输入端相比较的方式来区分的.若反馈信号与输入信号是以电压形式进行比较的,则为串联反馈;若反馈信号与输入信号是以电流形式进行比较的,则为并联反馈。

在这里,需要强调,我们此时是从输入端来判断串联反馈还是并联反馈,而不是从输出端来判断的。具体的判断方法可以采用以下两种:

(1)如果反馈信号与输入信号在输入回路中以电压形式相加减(即反馈信号与输入信号串联),则为串联反馈;如果二者以电流形式相加减(即反馈信号与输入信号并联),则为电流反馈。例如,在图3所示电路中,反馈信号是以电压形式与输入电压相减,即Uid=ui-uf,因此是串联反馈。

(2)除公共接地线外,若输入信号与反馈信号从同一点引入,则为并联反馈;若输入信号与反馈信号从不同点引入,则为串联反馈。对于图3所示电路,反馈信号uf从运算放大电路的反相输入端引入,而输入信号从运算放大电路的同相输入端引入,因不在同一点引入,则该反馈为串联反馈。

综上所述,关于反馈的有关判定,可以采用以下步骤:

一是用瞬时极性法来判断正、负反馈。

二是用瞬时极性法在确认电路为负反馈的前提下,再分析反馈信号是取自电路的哪个输出量(电压或电流),然后再讨论反馈信号是以哪种方式(串联或并联)影响电路输入量的。

智能电视背后的接口你都认识吗?快来看看该怎么用

电视上有各种各样的接口,虽然隐藏在电视背面可它却发挥着重要的作用,买电视前一定要搞清楚各种接口的具体用处,一方面可以确保常用的接口不缺失,不用再额外购买转接设备,另一方面知道了每个接口的用处才能充分利用智能电视的各项功能。

1、HDMI

进入高清时代,HDMI基本已经成为电视的必备接口,有线机顶盒、网络机顶盒、电脑、音响等设备都可以通过HDMI线与电视建立连接,所以对于电视来说往往需要好几个HDMI接口。目前大部分电视都会配备2-3个HDMI接口,版本上可能会有差异。

HDMI组织在2002年12月9日正式发布HDMI1.0版标准,现在已经进化到了HDMI2.1,由于HDMI2.1尚未普及,HDMI2.0是目前为止最新的版本。HDMI2.0于2013年9月提出,带宽为18Gbps,相比之前的1.4版本的10.2Gbps有了较大的提升,后来又有了HDMI2.0a和HDMI2.0b,整体变化不大,HDMI2.0a加入对HDR的支持,HDMI2.0b对局部进行优化。

目前智能电视上常见的HDMI接口有1.4和2.0两种,虽然HDMI1.4已经达到了输出4K视频的要求,但HDMI2.0将帧数提高到了50/60(之前是24/30),提高了画面的流畅度,在连接PC玩游戏等场景时非常有必要,所以至少要保证电视有一个HDMI2.0接口。

除了版本的不同,HDMI还有功能上的区别,一般在HDMI接口下面会有标注,常见的有ARC、MHL等。

ARC指的是声音回传(Audio Return Channel),这项功能可以使电视通过HDMI线反向把数字音频信号传输到功放或者拥有HDMI ARC功能的音响设备上,不需要依靠光纤/同轴音频输出接口,在搭建家庭影院时非常有必要。

MHL指的是移动高清连接(Mobile High-Definition Link),通过一根MHL线缆就可以把手机、平板电脑等移动终端(主要是Android设备)的音视频信号传输到电视上,在音视频传输的同时还能用于充电。随着MHL技术的进步,输出的画面越来越高清,支持的充电功率越来越高,MHL3.0充电功率为10W(5V/2A)。

实现MHL不仅需要电视接口提供支持,手机也要支持这项功能,不过目前来看支持MHL的手机数量有限,所以HDMI接口是否有MHL的功能并不关键,而且无线同屏方式比它要方便得多。另外,即使电视的HDMI接口不支持MHL,通过转换器同样可以实现有线同屏。

2、USB

USB大家都很熟悉了,既可以用来连接存储设备,也可以外接摄像头、游戏手柄等设备,还能临时为手机进行充电,用处非常多。和HDMI一样,USB有版本上的区别,常见的是USB2.0和USB3.0,它们很容易分辨,USB2.0中间的塑料板是白色或者黑色,而USB3.0中间的塑料板是蓝色。

USB3.0的传输速度是USB2.0的10倍,这样才保证4K超高清视频流畅播放不卡顿,对于影音爱好者来说必不可少。

3、SD卡

智能电视的存储空间都不大,有些还是4GB或者8GB,大一点的也只有16GB,装不了太多东西,所以有些电视厂商效仿手机增加了存储卡接口。另外提供SD卡槽还有一个好处,相机拍摄的照片不需要转存到U盘中,直接插到电视上就能浏览观看。

4、光纤音频输出

电视外接音响或功放除了使用HDMI,更为常用的还有S/PDIF(Sony/Philips Digital Interface,SONY与PHILIPS联合制定的一种数字音频输出接口),既可以使用同轴电缆来传输,也可以使用光纤传输。

光纤接口的标识是Optical,它的物理接口有方头和圆头两种类型。

5、同轴音频输出

同轴音频输出比光纤音频输出更为常见一些,它的标识是COAXIAL,如果仅仅提到S/PDIF输出,一般也指的是同轴音频输出。

6、AV输入

AV输入接口在很早的CRT电视上就已经有了,AV线由红、白、黄三种颜色的线组成,其中黄线是视频传输线,红色和白色则是负责左右声道的声音传输。由于AV输入的方式会造成色彩信号的损失,色度信号和亮度信号也会相互干扰,影响最终输出图像的质量,尽量不要使用。

7、色差分量输入

色差分量接口同样在CRT时代就已经出现了,相比AV接口,视频传输质量有了很大的提升。色差分量线共由五条线组成,三条传输图像,两条传输音频,使用起来有些麻烦,随着HDMI的快速普及,现在配备该接口的电视也越来越少了。

8、网络

电视智能化后,网络接口基本已经是电视的标配了,相比无线连接更稳定可靠。

9、RF输入

RF输入俗称天线,它是射频信号的输入接口,如果用的是有线数字机顶盒,那么这个接口没什么用,如果用的是传统有线电视,或者收看DTMB地面波数字电视(外接天线接收信号),都要用到这个接口。

以上是现在电视常见的一些接口,买电视的时候除了要看要用的接口是否缺失,还要关注它的规格及功能,避免以后用起来麻烦。另外还要注意接口的位置,尤其是那些常用的接口,应该便于布线和方便插拔。

本文编辑:李伏胜

关注泡泡网,畅享科技生活。

相关问答

rf输入是什么?

RF输入是一种常见的电子设备输入接口类型,用于接收无线电频率信号。RF是“RadioFrequency”的缩写,意为“无线电频率”。RF输入通常用于接收和处理无线电频率...

rf是什么接口?

rf接口是无线电射频接口。射频接口,(也叫RF接口,同轴电缆接口,闭路线接口)属于模拟信号接口,所有的电视都支持这个接口,闭路信号就是通过这个接口传...rf接...

电视机rf接口什么意思?

是电视机的天线接口。是老式电视机上必有的接口。通过这个接口,可以连接电视机天线或者有线电视的馈线,接收电视台的无线电视信号,或有线电视运营商的有线电视...

请问平板电视后面的“数字RF”接口是干嘛用的?-ZOL问答

RF射频端子是最早在电视机上出现的,原意为无线电射频(RadioFrequency)。它是目前家庭有线电视采用的接口模式。RF输入接口RF的成像原理是将视频信号(CVBS)...

电视rf输入是什么意思?

rf输入接口是为无线电射频接口。RF射频端子是最早在电视机上出现的,原意为无线电射频(RadioFrequency)。它是目前家庭有线电视采用的接口模式。RF的成像原理是...

rf是什么意思物流?

RF,是拣选系统的意思。RF拣选系统RadioFrequency是二次大战后在美国、日本的物流中心中广泛采用的一种自动分拣系统,该系统目前已经成为发达国家大中型物流...

电视机rf输入是什么意思?

指射频输入,平时我们收看的有线电视接在普通电视机后面的信号输入端,称为RF。RF射频端子是最早在电视机上出现的,原意为无线电射频。它是目前家庭有线电视采...

rf电视机是什么意思?

意思是用来连接有线电视或者天线的信号线的。电视机的RF接口俗称天线口,它是老式有线电视必备的接口,能够通过连接有线电视线接收各地方有线电视运营商提供的...

有线电视机顶盒射频输入旁边的射频输出是干什么的?

是射频输入的旁路输出,可以插接在电视机上,使得电视机仍然能接受来自有线电视网络的模拟信号。射频电源(RFgenerator)是用来产生射频电功率的电源。它的输出...

rfout是什么意思?

RFOUT就是射频输出,是通过同轴电缆线接电视插头,插在电视机的高频头即天线输入插孔,可以经过自动收索,来选取机顶盒的输出信号。一般有AV输入插孔的菜单不...

标签:

相关阅读