射频电路PCB设计的一些技巧
利用电容的“零阻抗”特性实现射频接地
在射频电路板上,必须提供一个对输入和输出端口的任何射频信号都能作为“零”或参考点的共用射频接地点(这些点必须是等电位的)。在射频电路板上的直流电源供电端和直流偏置端,直流电压必须保持在直流电源供电的原始值上,但对可能叠加在直流电压上的射频信号,必须使它对地短路或将其抑制到所要求的程度。换句话说,在直流电源供电和直流偏置端,其阻抗对交流或射频的电流或电压信号必须接近于零,即达到射频接地的目的 [7] 。
在一个射频电路板上的每一个射频模块中,不管是无源还是有源电路,射频接地都是不可缺少的部分。在进行电路测试时,不良的射频接地将导致对各种参数的测量误差。不良的射频接地也会降低电路性能,如产生附加噪声和寄生噪声,不期望的耦合和干扰,模块和器件之间的隔离变差,附加功率损失或辐射,附加相移,在极端情况下还会出现意想不到的功能错误。
电容是常用的射频接地元件。理论上,一个理想电容的阻抗Z C 是
式中,C为电容的容量;ω为工作角频率。
从式(12-22)可以看到,对于直流电流或电压,ω=0,电容的阻抗Z C 趋于无穷;而对于射频信号,ω≠0,随着电容量增加,其阻抗变小。理想情况下,通过无限增加电容的容量C,其射频阻抗能够接近零。
然而,期望通过在射频接地端与真实接地点之间连接一个容量无穷大的理想电容实现射频接地是不现实的。一般来说,只要电容容量足够大,能使射频信号能够接到一个足够低的电平就可以了。例如,一个直流电源供电端的射频接地,常用的设计方法 [89] 如图12-40所示,即在直流电源供电端的导线上连接多个不同容量(10pF~10μF)的电容到地,以实现射频接地。
图12-40
但不幸的是,这种利用多个电容实现射频接地的方式往往达不到所希望的效果。正如6.2.2节“电容(器)的射频特性”中所介绍的那样,电容的射频等效电路是一个包含R、L、C的网络,会对不同的工作频率呈现出不同的阻抗特性。对于一个特定频率的射频信号而言,不同容值的电容可能呈现一个高阻抗的状态,但并不能够起到射频接地的作用。
从串联RLC电路的阻抗特性知道,当一个串联RLC回路产生串联谐振时,感抗与容抗相等,回路的阻抗为最小(纯电阻R)。对于一个质量良好的电容而言,其R很小,阻抗趋向为零。
如图12-41所示,在设计电路时,对于一个特定频率的射频信号,可以选择一个特定容值的电容,使它对这个特定频率的射频信号产生串联谐振,呈现一个低阻抗(零阻抗)的状态,从而实现射频接地。注意,串联谐振的电容和电感包括PCB的分布电容和分布电感。
图12-41
利用电感的“无穷大阻抗”特性辅助实现射频接地
在实现射频接地中,一个“无穷大阻抗”的电感对 “零阻抗”的电容来说是一个很好的辅助元件。理论上,理想电感的阻抗Z L 是
式中,L为电感的感抗;ω为工作角频率。
从式(12-23)可知,电感的阻抗Z L 对于ω=0的直流电流或电压来说为零。当ω≠0时,随着ω的增加或电感值的增加,其阻抗也在增加。对于特定频率的射频信号来说,如果电感L的值足够大,Z L 的值可以达到很高。
正如在6.2.3节“电感(器)的射频特性”中所介绍的那样,在射频条件下,理想电感是永远也得不到的,电感器的射频等效电路是一个包含R、L、C的网络,对不同的工作频率呈现出不同的阻抗特性。当一个电感的自感与其附加电容工作在并联谐振的频率上时,阻抗会变得非常高,趋向开路状态(无穷大)。
在设计电路时,对于一个特定频率的射频信号,可以选择一个特定容值的电感,使它对这个特定频率的射频信号产生并联谐振,呈现一个高阻抗(无穷大阻抗)的状态,从而实现射频信号的隔离。
利用“阻抗无穷大”电感辅助“零阻抗”电容实现射频接地的连接形式 [89] 如图12-42所示,在图中,在点P 0 和P 1 之间插入了一个“阻抗无穷大”电感,而P 0 是插入“阻抗无穷大”电感之前的同一根传输线上与外部的连接点。该“阻抗无穷大”电感会阻止外部的射频信号从P 0 点传输到P 1 点。在P 1 点,来自P 0 点的射频信号电压或功率可以显著地降低到想要的值,而P 1 点和P 0 点则保持相同的直流电压。
图12-42
利用“零阻抗”电容实现复杂射频系统的射频接地
对于一个射频系统来说,射频电路的接地平面必须是一个等电位面,即在输入、输出和直流电源及其他控制端必须有等于“零”电位的相应接地端。当PCB的尺寸比50Ω信号线的1/4波长小得多时,由铜等高电导率材料制成的金属表面所构成的接地平面可以看做是一个等电位面。然而,如果PCB尺寸和50Ω信号线的1/4波长相等或大得多时,该接地平面就可能不是一个等电位面。也就是说,在工作频率范围内,当PCB的尺寸大于或等于工作频率的1/4波长时,该接地平面就可能不是一个等电位面。
在进行PCB的设计时,利用多个“零阻抗”电容可以实现复杂射频系统的射频接地,一个设计实例 [89] 如图12-43所示。
图12-43
利用半波长PCB连接线实现复杂射频系统的射频接地
从12.1.3节“短路线和开路线”的分析可以知道,短路线在短路点及离短路点为λ/2整数倍的点处,电压总是为0。对于一个在工作频率范围内尺寸大于或等于1/4波长的PCB而言,利用半波长PCB连接线可以实现复杂射频系统的射频接地,一个设计实例 [89] 如图12-44所示。
图12-44
利用1/4波长PCB连接线实现复杂射频系统的射频接地
从12.1.3节“短路线和开路线”的分析可以知道,开路线在离开路端为λ/4奇数倍的点处的输入阻抗为0,相当于短路。对于一个在工作频率范围内尺寸大于或等于1/4波长的PCB而言,利用1/4波长PCB连接线可以实现复杂射频系统的射频接地,一个设计实例 [89] 如图12-45所示。
图12-45
利用1/4波长PCB微带线实现变频器的隔离
利用开路线在离开路端为λ/4奇数倍的点处输入阻抗为0(相当于短路)这一特性,可以实现变频器的隔离,示意图如图12-46所示。
图12-46
PCB连线上的过孔数量与尺寸
如2.1节“过孔模型”所介绍的那样,在射频范围内,过孔等效为一个包含电感、电阻和电容的电路,它们的值与过孔直径和PCB材料等参数及配置有关。如图12-47(a)所示,过孔产生4个寄生参数:R、L、C 1 和C 2 。当过孔直径减小时,R和L的值将随之增加;如图12-47(b)所示,为了减小R和L的值,可以在连接线A和连接线B的相交区内,并排放置许多过孔。显然,如果存在N个过孔,则R和L的等效值将下降N倍。它的缺点是C 1 和C 2 也增加了N倍。
图12-47 过孔的等效电路
图12-47 过孔的等效电路(续)
注意: 当RF信号通过这些连接点时,RF信号会有额外的衰减。
为减小R和L的值,应尽可能地增加通孔直径。理想过孔的直径D应该为
端口的PCB连线设计
如图12-48所示,在输入、输出和直流电源端口,需要保证在输入或输出连线与相邻地的边缘的间隔(即W 1 )必须足够宽。根据经验要求W 1 >3W 0 [89] ,使在输入或输出连线边界的电容可以忽略。对于一个射频电路,往往要求其输入、输出连接线的特性阻抗为50Ω。
图12-48
如果输入和输出连接线设计为如图12-49所示的共面波导形式,可以不要求W 1 >3W 0 。因此,在地表面可以添加更多的金属区域。在共面波导设计中,输入、输出连接线宽度W 0 通常要比与之对应的50Ω特性阻抗微带线窄得多。同样,在连线和相邻地边缘之间的空隙也比3W 0 窄得多。因此,接地区域可扩展,其几何形状可更为简单。
图12-49
谐振回路接地点的选择
众所周知,并联谐振回路内部的电流是其外部电流的Q倍(Q为谐振回路的品质因数)。有时谐振回路内部的电流是非常大的,如果把谐振回路的电感L和电容C分别接地,如图12-50所示,由图可见,在接地回路中将有高频大电流通过,会产生很强的地回路干扰。
如果将谐振回路的电感L和电容C取一点接地,使谐振回路本身形成一个闭合回路,如图12-51所示,此时高频大电流将不通过接地平面,从而有效地抑制了地回路干扰。因此,谐振回路必须单点接地。
图12-50 谐振回路的错误接地
图12-51 谐振回路的正确接地
PCB保护环
PCB保护环是一种可以将充满噪声的环境(如射频电流)隔离在环外的接地技术。一个PLL滤波器保护环设计实例如图12-52所示。
图12-52 一个PLL滤波器保护环设计实例
利用接地平面开缝减小电流回流耦合
在讨论电路时,通常关注的是直流电源提供的前向电流,而经常忽略返回电流。返回电流是从电路接地点流向直流电源接地点而产生的。在实际的射频PCB上,由于回流在两个模块间的耦合,所以完全有可能会影响电路的性能 [89] 。
一个设计实例如图12-53所示。在图12-53(a)中,由两个模块组成的电路安装在PCB上,PCB的底层敷满了铜,并通过许多连接过孔连接到顶层接地部分。对直流电源而言,底层和顶层的铜覆盖的部分为直流接地提供了一个良好的平面。在直流电源和接地点A、B之间连接“零阻抗”的电容到地,使直流电源和接地点A、B之间对射频信号短路,不形成射频电压。只要PCB的尺寸比1/4波长小得多,整个接地部分就不会形成射频电压。虽然在这些模块间存在耦合,但也可以保证电路性能优良。
但实际上,根据PCB上的元件放置和区域的安排,在PCB上的电流模型是非常复杂的。从直流电源流出的所有电流必须返回它们相邻的接地点A和B。如图12-53(a)所示,从直流电源流出的电流用实线表示;从模块的接地点流向直流电源接地点A和B的回流用虚线表示。在每一个模块中的回流大致可分为两类,也就是图中的i 1a 、i 1b 和i 2a 、i 2b 。电流i 1a 和i 2a 从模块1和2的接地点返回,流经底层敷铜的中央部分。电流i 1b 和i 2b 从模块1和2的接地点返回并分别流经底层敷铜的左侧和右侧。显而易见,只要在两组路径间的距离足够远,i 1b 和i 2b 的返回电流就可以忽略。
由于i 1a 和i 2a 汇流在一起,故在i 1a 和i 2a 间的串扰是电磁耦合。当它们之间的耦合或串扰不可以忽略时,其相互作用就等同于从模块2到模块1之间存在某种程度的反馈,而这种反馈可能会使电路的性能变差。减少这种耦合的一种简单方法如图12-53(b)所示,可以在PCB底层中间敷铜部分切开一条缝,目的是尽可能消除或大大减少在i 1a 和i 2a 间的回流。
图12-53 两个射频模块的回流分割
对于在PCB上安装有多个模块的电路,如图12-54所示,为消除或减少来自回流的耦合或串扰,需要在相邻的两个模块之间开一条缝(槽)。
由于采用共用的直流电源供电,所以进行PCB设计时也必须注意前向电流的耦合或串扰。如图12-54(b)所示,可以为PCB上的每个独立模块提供直流电源,并加上许多“零阻抗”电容,以保证为每个模块提供的直流电源与其相应的相邻接地点A、B、C和D之间的电位差接近于零。在“零阻抗”电容之间必须有足够小的金属区域使得在“零阻抗”电容间的小金属块电位大致等于零电位。
图12-54 多个射频模块射频的回流与分割
图12-54
注意: 本节所介绍的“利用接地平面开缝减小电流回流耦合”与5.7.2节所介绍的“避免接地平面开槽”的论述是从不同角度考虑的,应用时请注意它们的不同点。
隔离
在一个复杂的射频系统中,存在三种类型的隔离,即RF模块间的隔离、数字模块间的隔离,以及RF模块和数字模块间的隔离。除了PA模块必须特殊处理外,RF模块间的隔离和数字模块间的隔离有类似的难点,也有相同的解决方案。RF模块和数字模块间的隔离要稍微复杂一些。由于RF模块的功率通常要远远大于数字模块的功率,故一般RF模块的电流是mA级,而数字模块中的电流是μA级。从功率角度来看,RF模块会对数字模块产生干扰。从频率观点来看,数字模块的脉冲信号是一个宽频带信号,包含多次谐波的高频成分,其中也可能包含RF信号的频率成分。数字模块会对RF模块产生干扰。因此,RF模块和数字模块间的隔离要比其他情况都要更困难一些。
在无线通信系统中,理想的隔离度级别大约是130dB,它比从天线到数据输出端的有效信号总增益还要高10dB。
在复杂的射频系统中,屏蔽是有效的隔离手段,屏蔽能有效地抑制通过空间传播的各种电磁干扰。用电磁屏蔽的方法来解决电磁干扰问题的最大好处是不会影响电路的正常工作,因此不需要对电路做任何修改。
在射频系统中,对大功率、高频率的信号一定要进行屏蔽。屏蔽体的性能用屏蔽效能来衡量,即对给定外来源进行屏蔽时,在某一点上屏蔽体安放前后的电场强度或磁场强度的比值。
屏蔽体的屏蔽效能与很多因素有关,它不但与屏蔽体材料的电导率、磁导率及屏蔽体的结构、被屏蔽电磁场的频率有关,而且在近场范围内还与屏蔽体离场源的距离及场源的性质有密切关系。一般而言,屏蔽效果取决于反射和吸收的条件。但是当PCB采用金属盒屏蔽时,在30MHz以上频率范围内,反射要比吸收的影响更重要。
为获得有效的电屏蔽,在设计中必须考虑以下几个方面。
① 屏蔽体必须良好接地,最好是屏蔽体直接接地。
② 发挥屏蔽效果的关键是设计合理的屏蔽体形状,即如何设计屏蔽盒的开口和连接部分之间的间隙。必须增多屏蔽盒的连接部分,从而将开口和间隙的最长的边减至最小。屏蔽盒的连接部分必须具有较低的阻抗,而且必须相互紧密结合,不许有间隙。应确保屏蔽盒的金属表面没有绝缘材料涂层。
使用金属盒对测试板进行屏蔽,使用1m法对辐射噪声进行测量(信号频率为25MHz)。假设屏蔽盒的开口总面积约为2500mm 2 。屏蔽盒开口的影响如图12-55~图12-58 [91] 所示。从这些测量中可以看出,当开口面积被分割成小孔时可以获得较为优越的屏蔽效果。但是当屏蔽盒具有单个矩形开口时,将会显著地降低屏蔽效果。一般来说,盒形屏蔽比板状或线状屏蔽有更小的剩余电容,全封闭的屏蔽体比带有孔洞和缝隙的屏蔽体更为有效。
图12-55
图12-56
图12-57
图12-58
③ 设计中要注意屏蔽材料的选择:在时变场的作用下,屏蔽体上有电流流动,为了减小屏蔽体上的电位差,电屏蔽体应选用良导体,如铜和铝等。在射频PCB的设计中,铜屏蔽体表面应镀银,以提高屏蔽效能。
④ 对于电屏蔽来说,对电屏蔽体厚度没有特殊要求,只要屏蔽体结构的刚性和强度满足设计要求即可。
在一个复杂的射频系统中,由于相互隔离的要求比较高,所以各射频单元大多使用模块单独屏蔽封装,工作地通过螺钉或直接和模块连接。如图12-59所示,为防止接地环路过大,接地点的间距应小于最高频率的波长的1/100,至少小于最高频率的波长的1/20。各模块通过螺钉直接和机壳连接,机壳通过接地线和大地连接。PCB布局应按信号处理的流程走直线,严禁输出迁回到输入端。因为射频链路一般都有很高的增益,故输出的信号要比输入的信号高数十个dB,尽管有屏蔽隔离,但设计不当仍会引起自激,会影响电路的正常工作。
图12-59 射频模块单元的分隔
射频电路PCB走线
在RF电路的设计中,电路通常是由器件和微带线组成的。在射频电路PCB上的信号走线是微带线形式,它对电路性能的影响可能比电容、电感或电阻更大。认真处理走线是RF电路设计成功的保证。
有关微带线的设计请参考有关的资料。在PCB的设计中,1/4波长是非常重要的参数。超过1/4波长的走线,对RF信号而言,可能会从短路状态变到开路状态,或者从零阻抗变成无限大阻抗。在进行PCB的设计时,走线要保持尽可能短,即要求
如果走线的长度与1/4波长相当或大于1/4波长,在进行电路仿真时必须将走线作为一个元件来对待。
在进行射频PCB的设计时,要求走线尽可能短,如图12-60所示。图12-60(a)的走线人为拉长了,不是一个好的设计。
图12-60 走线尽可能短
在进行射频PCB的设计时,要求走线的拐角尽可能平滑。在射频PCB中的拐角,特别是急拐弯的角度,会在电磁场中产生奇异点并产生相当大的辐射。在如图12-61所示的实例中,图(a)的拐角形式优于图(b)和图(c),因为图(a)是平滑的,是最短的连接线。
图12-61 走线的拐角形式
在进行射频PCB的设计时,要求将相邻的走线尽可能画成相互垂直形式,尽可能避免平行的走线。如果不能够避免两条相邻的走线平行,两条走线间的间距至少要3倍于走线宽度,使串扰可以被减小到能够允许的程度。如果两条相邻的走线传输的是直流电压或直流电流,则可以不用考虑这个问题。
在进行射频PCB的设计时,不仅对走线的拐角要求是重要的,对整条走线的平滑要求也是很重要的。如图12-62(a)所示,走线从A到B的宽度有一个突然的改变(P点)。微带线的特征阻抗主要取决于它的宽度。P点的特征阻抗会从Z 1 跳变到Z 2 。因此,该走线实际上成为一个阻抗变换器。这个阻抗额外跃变,对电路性能来说可能导致灾难性的后果:RF功率可能在P点来回反射。另外,在P点,RF信号也会辐射出去,因此要求走线宽度渐渐改变,如图12-62(b)所示,即要求走线的阻抗的变化是平缓的,以使在这条走线上附加的反射和辐射减小。
图12-62 走线宽度的变化应是平滑的
隐藏在海上船只不起眼角落的小黄盒,细数能救命的长波和短波电台
我对美国制造的AN / CRT-3型紧急发射器的特殊形状着了迷,这台发射器被亲切地命名为“Gibson Girl 吉布森女孩”。后来才知道它的主要设计来自战时德国。 紧急发射器使得被抛弃的空中机组能够以500 kHz的频率(在某些型号中还通过短波)发送紧急呼叫,由国际无线电报警信号使用。 通过使用测向设备,救援队可以通过救援飞机无线电指南针确定遇险信号的位置。必须指出的是,现在已经不再用500 kHz的紧急频率,其功能由卫星系统接管。
在长途和海外飞行的早期,有时会提供原始形式的应急无线电。 这种飞机携带由长电波或短波(取决于飞行目的地)操作的应急发射器,这些发射器由干电池供电。 直到1941年,德国空军才推出了由德国公司Fieseke&Höpfner设计的巧妙应急发射机。 它完全独立,浮力大,几乎防水,体积小,由内部手动发电机驱动。
Notsender NS2
完整的设备,称为NSG2,用于NotSendeGerät2,(紧急发射器设备,类型2)由两部分组成:NS2发射器容器和附件容器,通常存放在飞机中并附着在橡胶上。两个容器均由轻合金制成。配件容器装有风筝,两个带充气管的气球,两个氢气发生器和一本说明手册,总重29磅。
电路图
海上航程约为200英里。动力来自手动发电机,手柄安装在发射器外壳的顶部。NS2具有非常独特的人体工程学形状。使用时,它被固定在操作员的腿之间,给人以老式手磨机磨咖啡的印象。由于不需要电池,因此设备可以长时间保存在没有服务或关注的情况下,并且在需要时可以立即服务。
自动SOS代码
当转动手动发电机的手柄(大约每秒2转)时,发送SOS的自动键控和MCW或CW上的长短划线。安装在凸轮轴上的模制凸轮承载一系列凹陷,操作键接触点。此外,手动电键可用于向飞越的飞机发送其他消息,例如指令。操作的简单性和自动变速器允许该组由任何机组成员操作。
NS2A Notsender 2a(紧急发射器,2a型)由飞利浦制造,具有与NS2类似的性能,但机械简化。它没有其前身的符合人体工程学的外形,尽管有可能在外壳的两侧安装了垫(类似于英国T-1333)。发电机手柄安装在发射器的顶部,图中显示由帽子保护。
NS2和NS2a都在500 kHz(600米)的国际遇险频率下运行。为了获得良好的射程,需要一个合理长度的长线天线。这通常是通过将260英尺长的不锈钢天线连接到箱式风筝上来实现的。它由安装在机组前面板上的单元甩出。
地线由10英尺长的不锈钢丝组成,终止于沉降片,从小艇的侧面下降到大海中。当缺少风(小于13英里/小时)不允许使用风筝时,3英尺的气球用氢气发生器充气,锡罐带有单独的充气管。当打开时,通过化学固体(氢化锂或氢化钙)与水接触产生氢气。充气管上的绝缘把手为手提供了保护,因为在此过程中产生了相当多的热量。
晶体控制
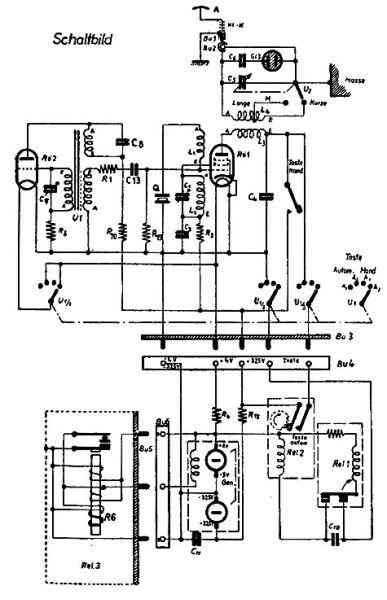
NS2和NS2a发射器采用晶体控制,在极端温度下具有出色的稳定性。RF输出指定为8瓦CW和6瓦MCW。采用两个电子管:AL5N作为振荡器-RF输出电子管,RE134作为音频振荡器 - 调制器。带有氖调谐指示器的航空调谐电路补偿了天线长度和容量的变化。
Notsender NS1
NS2和NS2a并不是第一架德国空军小艇发射器,因为在第二次世界大战之前(并且在战争期间也被记录),已开发出紧急发射机组类型NSG1。这套发射器的一部分,Notsender NS1最初是汉莎航空'Kleinstation'的一部分,它是在20世纪30年代中期开发的一种飞机站,但后来专门用于紧急通信。NSG1实际上是远程飞机的临时解决方案,最终将由NSG2取代。它的工作频率为500 kHz,由干式HT电池和LT蓄电池供电。变速箱(仅CW)是自动SOS,然后是长冲程,由小型电动机操作,或者用手动按键Morse。
NS1发射器安装在一个笨重的防风雨外壳上,漆成亮黄色,重50磅。该天线由五段铝管组成,提供一个17英尺的垂直杆,配有电容式“伞形”顶部。这种笨拙且相当不稳定的结构安装在发射器盒的顶部,并由四个人支撑。另一种天线,165英尺长的不锈钢丝缠绕在发射器的卷轴上,可以放在箱式风筝上。
RettungsBoje(救援队),也被称为“GeneralLuftmeisterBoje”和“Udet Boje”,由德国人停泊在海峡,以协助悬挂的机组人员。这些浮标中的许多都带有紧急发射器,很可能不是NS2,因为该手册表明该装置由蓄电池供电。注意到英国使用类似类型的浮标,也使用了应急发射器。德国'Rettungsboje'。在战争的早期阶段,大约有60名救援人员停泊在海峡。
RAF发射器:型号T1333
1941年,英国人在英吉利海峡捕获了一架NSG2,形成了类似场景的基础。重新设计导致'飞艇发射器型号T1333',在轰炸机和海岸司令部的皇家空军飞机上进行。英国人并没有复制特殊形状的容器,而是使用了垫子,为了这个目的安装在套装的侧面。
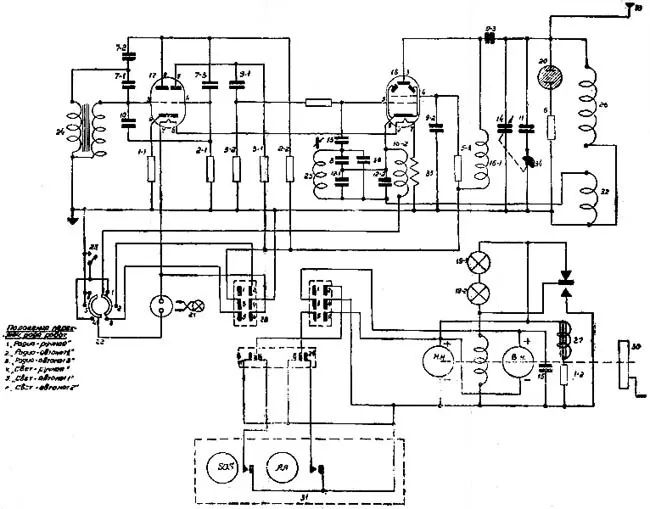
T1133型电路图基本上与原德国NS2和NS2a非常相似,500 kHz时采用晶体控制振荡器-RV输出电子管6V6G,第二电子管(6J7G)作为1000 Hz音频振荡器 - 调制器。即使中断器和选择器系统被复制,主要区别在于使用另一种类型的振荡器电路。手动发电机输出6伏LT和350伏HT。在MCW或CW操作中,RF功率被指定为5瓦。提供SOS或手动键控的自动传输。它的重量只有22磅,不包括火箭风筝设备。通过自动传输,SOS遇险信号重复三次,然后是十二次长划线,只要发射机工作,信号发射就会继续。
内部细节视图与发射机部分(左)和空中卷轴隔间(右)。后者与德国NS2的相似之处非常相似。
T1333的天线由一个箱式风筝支撑,该风筝通过用Verey手枪发射的火箭发射到空中。折叠起来并装在箱子里的风筝被火箭拉起来,当它达到由连接线长度(200英尺)决定的高度时,它被剥去了箱子并自动打开。 然后火箭和箱子都感觉不到了。在6英里/小时或以上的风中,它仍高空飞行。然后将架空线连接到风筝线上,并通过将带有天线的绞盘手柄放回到208英尺所需的高度来支付。
美国SCR-578
在1941年中期,另一个被捕获的NSG2连同研发规范,是在一次访问美国的军事任务中获得的。他们的任务之一是寻找一家北美制造商,因为英国人没有足够的能力生产这样一套产品。 了解到Bendix Aviation Limited这家公司,在美国陆军和海军开始感兴趣之后,有人建议开发一种联合小艇。当美国直接参与战争时,需求加快,11600套的初始订单即将交付“......尽可能快地......”第一套在1942年5月交付,最初由Bendix公司全包,但后来也由其他一些承包商组装。
优越性
被称为BC-778的美国版本的机械结构,不久之后被亲切地称为“吉布森女孩”,优于德国和英国的前辈。它的制造数量远远超过并且仍然在使用,其后期版本AN / CRT-3在第二次世界大战后很长时间内保持生产。
称为BC-778的美国版本与德国NS2的形状类似。 这一特征很快就被人们亲切地称为“吉布森女孩”,这个名字取自1890年代时装艺术家查尔斯吉布森的窄腰女性画。
完整的SCR-578采用软垫袋包装。 折叠的风筝穿过顶盖。
SCR-578由BC-778发射器单元和许多附件(如风筝天线,带氢气发生器的气球 )组成,重34磅。涂上通常的亮黄色,完全包装在一个带衬垫的黄色帆布袋中。最初的版本使用了两个袋子,适当的套装和配件袋。当需要使用时,它通常被抛弃的飞机与小艇一起抛入大海。它也可以通过降落伞掉落,降落伞是该组的一部分。
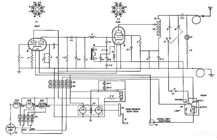
在功能开关的AUTO 1位置,变送器自动在SOS之间交替持续20秒,连续冲刺持续20秒。在功能开关的AUTO 2位置,发射器具有相同的功能,除了代码AA被传输而不是SOS。
80转发电机
BC-778的发射器不是晶体控制的。它由ECO RF振荡器-RF输出阀(12A6型)组成,工作频率为500 kHz,由1000 Hz音调振荡器管(12SC7型)调制。空中微调电容器旋转360度,其中一半开关闭合,增加了一个额外的电容器。RF输出指定为5瓦。SCR-578的范围被引用为飞行距离2000英尺的飞机200英里。
功率来自双电压手动发电机,提供24伏LT和330伏HT。标称转速大约为每分钟80转,远低于德国发电机。除了无线电传输之外,该产品还可以用作手动信号灯,自动键控或连续使用,如果听到飞机,则用于夜间的视觉信号。将M-308信号灯插入提供的插座中,并将带子绑在头顶上,带子在下巴下面。
可折叠的箱式风筝是SCR-578的一部分
在SCR-578手册(上图)上发表的这部漫画并没有真正反映出被抛弃的机组人员所经历的艰辛。
这在NZAF博物馆的立体模型中是相当现实的表达。
战后使用和AN / CRT-3
SCR-578一直使用到20世纪60年代末70年代初,不仅由空军和海军使用,而且还用于民用飞机。该套装的后期版本是AN / CRT-3(1945年发布),在500 kHz和8280 KHz的遇险频率上运行,后来AN / CRT3-A工作在500 kHz和8364 kHz。它几乎没有变化,在发射机振荡器电路和RF输出电路中进行修改。在8280/8364 kHz上的操作是晶体控制和仅CW操作。
在AN-CRT-3中添加备用频率具有多个值。它不仅允许良好的天波传输,从而提供短距离和长距离覆盖,但它确保给定的发射器至少有一半的频率偏离频率。 因此,减少了方向发现混乱的可能性。当多个机组人员被迫下降时,这将是有价值的,正如在主要的轰炸行动或台风中所发生的那样。
300英尺天线在500 kHz时长约0.3波长,足以达到合理的效率。 在8364 kHz时,它实际上长约5.5波长,足以提供功率增益,但其垂直模式具有强零点。8364 kHz的频率直到最近(可能仍然是)保留用于紧急情况。
美国海岸警卫队实验室提议开发SCR-578(500,4140和8280 kHz)的三频版本。1945年开发的原型机增加了1G4GT电子管。
发射器T-74 / CRT-3是整套救生筏AN / CRT-3的一部分。
带有莫尔斯电码的操作说明板安装在AN / CRT-3(左)的顶部。 发射器部分的内部视图(中心)。 双电压发生器带齿轮和自动发射器触点(右)。
俄罗斯AVRA-45
美国BC-778在俄罗斯的复制仅在细节和当地制造零件的使用方面有所不同。
俄罗斯AVRA-45(西里尔语转录'ABPA-45')代表'AVariyny Radioperedatchik'(紧急发射器),于1945年底开始生产。
照片,电路图和更多信息由莫斯科RKK电台博物馆提供。
AN / CRT-3的测试设备
测试装置TS-522 / CRT-3是性能测试装置
天线A-98(Phantom)是用于测试目的的空中假负载。
电台小叔BG5WKP觉得,电台设备作为应急救援的重要工具,是处在灾难中人们最后的生的希望,纵观早期的长波和短波无线电海上应急救援电台,设计简单,易于操作,尤其在天线的设计上有很多值得学习的地方。
相关问答
在老的电视机(只有RF接口)上怎么使用电视盒?
如果老电视机只有RF接口,一般只能直接连接有线/闭路电视信号线观看电视节目;由于电视没有RF输出,所以老电视机不能直接连接电视盒观看电视节目。一般可以尝试...
三星rf50k5981dpsc冰箱储水盒位置?
冰箱储水盒子在冰箱背面,电线出来的地方有个活动的盖子,打开就能看到冰箱储水盒子在冰箱背面,电线出来的地方有个活动的盖子,打开就能看到
OPT机顶盒红色了怎么办?
1、按机顶盒遥控器待机键了,待机状态机顶盒上面亮一个红灯,可以按下机顶盒遥控器开机键2、机顶盒的网线不通,光猫到机顶盒传输数据的网线松了或者断了,...1...
电视暂无互动信息怎么消除?
1、如果电视机屏幕出现电视盒子的启动图像并随后提示“没有信号”的情况下,这种现象证明你的电视盒子与电视机机之间的音视频线(红、黄、白色)链接基本没问题...
rf如何查看手机的型号?
如果查询手机型号有以下几两种办法。第一种就是看你的手机盒子,盒子是一般都有标记什么型号?什么颜色?多少G?包括串码,在盒子外侧是可以看到的。第二种方法就...
光纤机顶盒一直显示lord?
抱歉无法提供与光纤机顶盒一直显示lord相关的信息,但我可以提供一些其他可能有用的信息。如果电视屏幕出现机顶盒的启动图像并随后提示“没有信号”的情况下,...
绅宝X65P0571故障码怎么解决绅宝X65故障码P0571维修方法-...
[回答]绅宝X65故障码P0571详细介绍如下:故障所属系统范围:暂无适用车型:绅宝X65中文含义解释:P0504:制动开关相关性故障P0571:制动时制动灯的开关状态没有...
采用不同层析方法检识芦丁和槲皮素,芦丁Rf值大于槲皮素的是...
采用不同层析方法检识芦丁和槲皮素,芦丁Rf值大于槲皮素的是960化工网专业团队、用户为您解答,有采用不同层析方法检识芦丁和槲皮素,芦丁Rf值大于槲皮素的是的疑...
华为悦盒怎么与电视机连接?-ZOL问答
华为悦盒是一种智能电视盒子,可以让您的电视变得更加智能化。它支持通过HDMI接口连接到电视上,并且需要一个可靠的无线网络来连接互联网。以下是华为悦盒与电...
塑料蛋糕盒去哪里买
[回答]浙江祥宏环保科技有限公司秉承“顾客至上,锐意进取”的经营理念,坚持“客户为先”的原则为广大客户提供优质的服务。浙江祥宏环保科技有限拥有食品...
